目 录
实验规则、技能与安全... 1
实验一 线性与非线性元件伏安特性的测绘... 6
实验二 电位、电压的测定及电路电位图的绘制... 9
实验三 基尔霍夫定律的验证... 11
实验四 线性电路叠加性和齐次性验证... 14
实验五 电压源、电流源及其电源等效变换... 17
实验六 戴维南定理和诺顿定理的验证... 20
实验七 最大功率传输条件的研究... 24
实验八 受控源研究... 26
实验九 直流双口网络的研究... 31
实验十 互易定理... 34
实验十一 典型周期性电信号的观察和测量... 37
实验十二 RC一阶电路的响应测试... 40
实验十三 二阶动态电路响应的研究... 43
实验十四 R、L、C元件阻抗特性的测定... 46
实验十五 RC串、并联选频网络特性的测试... 50
实验十六 R、L、C串联谐振电路的研究... 52
实验十七 交流电路等效参数的测量... 55
实验十八 正弦稳态交流电路相量的研究... 58
实验十九 互感线圈电路的研究... 61
实验二十 单相变压器特性的测试... 64
实验二十一 三相电路电压、电流的测量... 68
实验二十二 三相电路功率的测量... 71
实验二十三 单相电度表的校验... 74
实验二十四 功率因数表的使用及相序测量... 76
实验二十五 负阻抗变换器... 78
实验二十六 回转器特性测试... 82
实验规则、技能与安全
1. 实验教学的基本要求
一、实验教学的目的
电工基础实验是培养电工电子类工程技术人员实验技能的重要环节,是理论联系实际的重要手段.通过电工基础实验培养学生利用实验手段去观察、分析和研究问题的能力,掌握仪器仪表的基本工作原理和使用方法,学习数据的采集与处理并为后续课程学习打下良好的基础.随着计算机应用的普及,计算机辅助分析也已成为课程的重要组成部分,在实验课中加强计算机辅助分析的实践,对现代大学生来说是必不可少的.通过电路和电工基础实验教学应该达到以下目的:
⑴ 培养学生严谨的科学态度和实事求是的科学作风.
⑵ 训练学生基本的实验技能.要求学生能正确使用电压表、电流表、多用表、示波器、信号发生器、毫特斯拉计等的仪器仪表,掌握基本的测试技术,具有分析、查找和排除电路故障的能力,具有正确处理实验数据、分析误差的能力,能写出严谨、有理论分析、实事求是、文理通顺的实验报告..
⑶ 培养学生通过实验来观察和研究基本电磁现象及规律的能力,以加深对理论知识的理解.
⑷ 培养学生独立设计实验的初步能力.
⑸ 要求学生初步能用计算机进行电工基础的分析与计算,能根据算法及框图编制简单的计算机程序,学习程序的调试方法.
总之,本实验教学的主要作用是对学生进行基本技能的训练,提高学生用基本理论分析问题与解决问题的能力,同时在实验过程中培养学生严肃认真的科学态度和细致踏实的实验作风,为今后的专业实验、生产实践与科学研究打下坚实的基础.
二、实验课前的准备工作
实验效果与实验预习的好坏密切相关.预习时一定要认真阅读实验教材中的有关内容和附录,对实验目的、要求、实验原理和可能采取的方法等有所了解,对被测量以及可能出现的现象和结果有一个事先的分析和估计,写出预习报告(是正式报告的一部分),对要完成的每个实验做到心中有数.只有这样才可能主动地去观察实验现象,发现并分析问题,取得最佳的实验效果.否则达不到预期的效果和要求,甚至在实验中发生事故. 归纳起来,预习的重点包括:
⑴ 明确实验目的、任务与要求、估算实验结果;
⑵ 复习有关理论,弄懂实验原理和方法,熟悉实验电路;
⑶ 了解有关实验仪器设备的性能及其使用方法;
⑷ 写出预习报告.预习报告包括以下几方面:准备或设计实验数据表格;计算有关电路参量;了解本次实验所用仪器设备的使用方法、技术指标和操作注意事项;回答预习思考题.
对没有预习或没有完成预习报告的学生,指导教师有权停止当事人本次实验.
三、实验中应注意的问题
实验操作是实验的主要内容之一,也是培养学生动手能力的主要环节.进入实验室后学生应遵守实验室规则、学生实验守则等各项规章制度,实验中应注意的问题有以下几方面:
1.养成良好的习惯
对第一次使用的仪器仪表,必须了解其性能和使用方法,并记录主要仪器设备的名称、型号和规格,切勿违反操作规程,乱拨乱调旋钮,尤其注意不得超过仪表的量程和设备的额定值.
根据实验电路合理布置实验器材.仪器设备的排放应遵循读数方便、操作安全、排放整齐、防止相互影响的原则.仪器仪表应严格按照技术要求严禁歪斜放置.
对不遵守实验规则、违反操作规程而损坏仪器设备者,除写出书面检查外,还要作出一定的经济赔偿.
2.正确接线与检查线路
(1) 对初学者来说,首先应按照电路图合理布局与接线.根据电路的特点,选择接线步骤.对简单电路可先选一回路进行接线,然后再连接其他支路.对有些含有集成器件的电路,应按结点连线,以集成器件为中心,再连接其他元件.此外要考虑元件、仪器仪表的对应端、极性和公共参考点等是否连接正确.
(2) 避免导线之间相互交叉与缠绕,每个接线柱上不宜超过三个接线片,尽量减少因牵动一线而引起端钮松动、接触不良或导线脱落,确保电路各部分接触良好.
(3) 仪器仪表接线柱的松紧要合适,避免因过度用力而导致接线柱螺纹滑丝,使其无法拧紧.
(4) 改接线路时,应使实验线路的改动量尽可能地小,避免拆光重接.
(5) 线路接好后,一定要认真检查,确保实验线路无误、仪器仪表量程选择合理、电路参数正确,有的实验必须请指导教师复查接线后方可接通电源.
3.安全操作
在接通电源前,要保证稳压电源或调压器的起始位置在零位,电路中限流限压装置是否放在使电路中电流为最小的位置.接通电源后,逐渐增大电压或电流,同时要注意各仪表的偏转是否正常,负载工作状况是否正常,电路有无异常现象(如声响、冒烟、有刺鼻气味等现象).若有异常情况应立即切断电源并保护现场,仔细检查出现故障的原因.
接通电源后应粗测一遍,观察实验现象和结果的趋势是否合理.读数时要姿势正确,思想集中,防止误读.操作或读取数据时,切记不可用手触及带电部分.
改接或拆除电路时必须先切断电源.
4.数据的读取和整理
(1) 实验开始不必急于记录数据,根据实验要求先做试探性操作,观察实验现象和数据分布规律,依据具体情况再做一定的调整.
(2) 将实验数据记录在事先准备好的表格中,并记录所用仪表仪器的量程或倍率.实验数据记录的多少可随数据变化的快慢而异(曲率较大处可多读取一些数据),保证所提供的数据能够描绘出一条光滑而完整的曲线.
(3) 有效数字的取舍要根据仪表量程和刻度盘实际情况决定,不能盲目增加或删除有效位数.
(4) 保持正确的读数姿势,确保仪表的“针和影”重叠成一条线.
5.检查实验结果
数据测试完毕,应认真检查实验数据有无遗漏或不合理的情况,原始记录需经指导教师审阅签字后方能拆除线路,并将实验台上各种器件摆放整齐.原始数据应作为实验报告的附件.做实验报告时若发现原始数据不合理,不得随意涂改,及时与指导教师联系,采取可能的补救措施.
四、实验报告与数据整理
实验报告是实验工作的全面总结,整理实验结果是实验的重要环节,通过整理及编写报告可以系统地理解实验教学中所获得的知识,建立清晰的概念.因此,实验报告要求文字简洁,书写工整,曲线图表清晰,实验结论要有科学根据和分析过程.实验报告应包括以下内容:
a. 实验名称和实验目的.
b. 实验原理与说明.
c. 主要仪器设备的名称、型号、规格和实验台编号.
d. 实验任务.列出具体任务与要求,画出实验电路图,拟定主要步骤和数据记录表格.
e. 数据处理和曲线图表,进行数据处理时要注意有效数字和单位的正确表达.
f. 实验结论、误差分析和实验体会.
g. 回答预习思考题.
数据整理一般是对测量结果进行计算、描绘曲线、分析波形及实验现象,找出其中典型的能够说明问题的特征,从而说明电路的性质.
实验曲线是以图形的形式更直观地表达实验结果的语言.曲线应画在坐标纸上.坐标的分度要合理.坐标上以x轴代表自变量,y轴代表因变量.坐标分度的选择应使图纸上任一点的坐标容易读数,为了便于阅读,应将坐标轴的分度值标记出来,每个坐标轴必须注明变量名称和单位.
曲线要细心绘制.通常实验数据在坐标纸上用“*”、“·”、“D”等不同的符号标出,连接曲线应尽量使用曲线板、电工模板等作图工具.曲线应光滑匀整,不必强使曲线通过所有的点,但应与所有的点相接近,同时使未被曲线经过的点大致均匀地分布在曲线的两侧.此外,在图上要加上必要的注释说明.
记录设备编号和实验台号也是必要的,以便在整理数据时如发现数据有误或异常,可以按原编号设备查对核实.预习报告作为附件,随实验报告一起交指导教师批阅.
2.实验故障分析与处理
实验中常常会因为种种意想不到的原因而影响电路的正常工作,有可能会烧坏仪表和元器件.通过对电路故障的分析与处理,逐步提高分析问题与解决问题的能力.故障的分析需具备一定的理论知识和丰富的实践经验.
一、故障的类型与原因
实验故障根据其严重性一般可以分两大类:破坏性和非破坏性故障.破坏性故障可造成仪器设备、元器件等损坏,其现象常常是某些元器件过热并伴有刺鼻的异味、局部冒烟、发出吱吱的声音或炮竹似的爆炸声等.非破坏性故障的现象是电路中电压或电流的数值不正常或信号波形发生畸变等.如果不能及时发现并排除故障,将会影响实验的正常进行或造成损失.故障原因大致有以下几种:
⑴ 电路连接错误或操作者对实验供电系统设施不熟悉.
⑵ 元器件参数或初始状态值选择不合适、元器件或仪器损坏、仪器仪表等实验装置与使用条件不符.
⑶ 电源、实验电路、测试仪器仪表之间公共参考点连接错误或参考点位置选择不当.
⑷ 导线内部断裂、电路连接点接触不良造成开路或导线裸露部分相碰造成短路.
⑸ 布局不合理、测试条件错误、电路内部产生干扰或周围有强电设备,产生电磁干扰.
二、故障检测
故障检测的方法很多,一般按故障部位直接检测.当故障原因和部位不易确定时,可根据故障类型缩小范围并逐点检查,最后确定故障所在部位加以排除.在选择检测方法时,要视故障类型和电路结构确定.常用的故障检测的方法有以下两种:
⑴ 通电检测法.用多用表、电压表或示波器在接通电源情况下进行电压或电位的测量.当某两点应该有电压而多用表测出电压为零时说明发生了短路;当导线两端不应该有电压而用多用表测出了电压则说明导线开路.
⑵ 断电检测法.对破坏性故障,要采用断电检测法.具体方法是先切断电源,然后用多用表欧姆档检查电路中某两点有无短路、开路、元器件参数是否正确等.有时电路中可能同时存在多种或多个故障,它们相互影响、相互掩盖,但只要耐心细致去分析查找,是能够检测出来的.
实验一 线性与非线性元件伏安特性的测绘
一.实验目的
1.掌握线性电阻、非线性电阻元件伏安特性的逐点测试法。
2.学习恒电源、直流电压表、电流表的使用方法。
二.原理说明
任一二端电阻元件的特性可用该元件上的端电压U与通过该元件的电流I之间的函数关系U=f(I)来表示,即用U-I平面上的一条曲线来表征,这条曲线称为该电阻元件的伏安特性曲线。根据伏安特性的不同,电阻元件分两大类:线性电阻和非线性电阻。线性电阻元件的伏安特性曲线是一条通过坐标原点的直线,如图1-1中(a)所示,该直线的斜率只由电阻元件的电阻值R决定,其阻值为常数,与元件两端的电压U和通过该元件的电流I无关;非线性电阻元件的伏安特性是一条经过坐标原点的曲线,其阻值R不是常数,即在不同的电压作用下,电阻值是不同的,常见的非线性电阻如白炽灯丝、普通二极管、稳压二极管等,它们的伏安特性如图1-1中(b)、(c)、(d)。在图1-1中,U 〉0的部分为正向特性,U〈 0的部分为反向特性。
绘制伏安特性曲线通常采用逐点测试法,即在不同的端电压作用下,测量出相应的电流,然后逐点绘制出伏安特性曲线,根据伏安特性曲线便可计算其电阻值。
三.实验设备
1.直流电压、电流表;
2.电压源(双路0~30V可调);
3.EEL—52A组件、弱电元件箱。
四.实验内容
1.测定线性电阻的伏安特性
按图1-2接线,图中的电源U选用恒压源的可调稳压输出端,通过直流数字毫安表与1kΩ线性电阻相连,电阻两端的电压用直流数字电压表测量。
调节恒压源可调稳压电源的输出电压U,从0伏开始缓慢地增加(不能超过10V),在表1-1中记下相应的电压表和电流表的读数。
表1-1 线性电阻伏安特性数据
2.测定6.3V白炽灯泡的伏安特性
将图1-2中的1kΩ线性电阻换成一只6.3V的灯泡,重复1的步骤,电压不能超过6.3V,在表1-2中记下相应的电压表和电流表的读数。
表1-2 6.3V白炽灯泡伏安特性数据
U (V) |
0 |
1 |
2 |
3 |
4 |
5 |
6.3 |
I (mA) |
|
|
|
|
|
|
|
3.测定半导体二极管的伏安特性
按图1—3接线,R为限流电阻,取200Ω(十进制可变电阻箱),二极管的型号为1N4007。测二极管的正向特性时,其正向电流不得超过25mA,二极管VD的正向压降可在0~0.75V之间取值。特别是在0.5~0.75之间更应取几个测量点;测反向特性时,将可调稳压电源的输出端正、负连线互换,调节可调稳压输出电压U,从0伏开始缓慢地减少(不能超过-30V), 将数据分别记入表1-3和表1-4中。
表1-3 二极管正向特性实验数据
U (V) |
0 |
0.2 |
0.4 |
0.45 |
0.5 |
0.55 |
0.60 |
0.65 |
0.70 |
0.75 |
I (mA) |
|
|
|
|
|
|
|
|
|
|
表1-4 二极管反向特性实验数据
U (V) |
0 |
-5 |
-10 |
-15 |
-20 |
-25 |
-30 |
I (mA) |
|
|
|
|
|
|
|
4.测定稳压管的伏安特性
将图1—3中的二极管1N4007换成稳压管2CW51,重复实验内容3的测量,其正、反向电流不得超过±20mA,将数据分别记入表1-5和表1-6中。
表1-5 稳压管正向特性实验数据
U (V) |
0 |
0.2 |
0.4 |
0.45 |
0.5 |
0.55 |
0.60 |
0.65 |
0.70 |
0.75 |
I (mA) |
|
|
|
|
|
|
|
|
|
|
表1-6 稳压管反向特性实验数据
U (V) |
0 |
-1 |
-1.5 |
-2. |
-2.5 |
-2.8 |
-3 |
-3.2 |
-3.5 |
-3.55 |
I (mA) |
|
|
|
|
|
|
|
|
|
|
五.实验注意事项
1.测量时,可调稳压电源的输出电压由0缓慢逐渐增加,应时刻注意电压表和电流表,不能超过规定值。
2.稳压电源输出端切勿碰线短路。
3.测量中,随时注意电流表读数,及时更换电流表量程,勿使仪表超量程。
六.预习与思考题
1.线性电阻与非线性电阻的伏安特性有何区别?它们的电阻值与通过的电流有无关系?
2.如何计算线性电阻与非线性电阻的电阻值?
3.请举例说明哪些元件是线性电阻,哪些元件是非线性电阻,它们的伏安特性曲线是什么形状?
4.设某电阻元件的伏安特性函数式为I=f(U),如何用逐点测试法绘制出伏安特性曲线。
七.实验报告要求
1.根据实验数据,分别在方格纸上绘制出各个电阻的伏安特性曲线。
2.根据伏安特性曲线,计算线性电阻的电阻值,并与实际电阻值比较。
3.根据伏安特性曲线,计算白炽灯在额定电压(6.3V)时的电阻值,当电压降低20%时,阻值为多少?
4.回答思考题1。
实验二 电位、电压的测定及电路电位图的绘制
一.实验目的
1.学会测量电路中各点电位和电压的方法,理解电位的相对性和电压的绝对性。
2.学会电路电位图的测量、绘制方法。
3.掌握使用直流稳压电源、直流电压表的使用方法。
二.原理说明
在一个确定的闭合电路中,各点电位的大小视所选的电位参考点的不同而异,但任意两点之间的电压(即两点之间的电位差)则是不变的,这一性质称为电位的相对性和电压的绝对性。据此性质,我们可用一只电压表来测量出电路中各点的电位及任意两点间的电压。
若以电路中的电位值作纵坐标,电路中各点位置(电阻或电源)作横坐标,将测量到的各点电位在该坐标平面中标出,并把标出点按顺序用直线条相连接,就可得到电路的电位图,每一段直线段即表示该两点电位的变化情况。而且,任意两点的电位变化,即为该两点之间的电压。
在电路中,电位参考点可任意选定,对于不同的参考点,所绘出的电位图形是不同,但其各点电位变化的规律却是一样的。
三.实验设备
1.直流电压、电流表;
2.电压源(双路0~30V可调);
3.EEL-52A组件、弱电元件箱。
四.实验内容
实验电路如图2-1所示,图中的电源US1用恒压源I路0~+30V可调电源输出端,并将输出电压调到+6V,US2用II路0~+30V可调电源输出端,并将输出电压调到+12V。
1.测量电路中各点电位
以图2-1中的A点作为电位参考点,分别测量B、C、D、E、F各点的电位。
用电压表的黑笔端插入A点,红笔端分别插入B、C、D、E、F各点进行测量,数据记入表2-1中。
以D点作为电位参考点,重复上述步骤,测得数据记入表2-1中。

2.测量电路中相邻两点之间的电压值
在图2-1中,测量电压UAB:将电压表的红笔端插入A点,黑笔端插入B点,读电压表读数,记入表2-1中。按同样方法测量UBC、UCD、UDE、UEF及UFA,测量数据记入表2-1中。
表2-1 电路中各点电位和电压数据 单位:V
电 位 参考点 |
VA |
VB |
VC |
VD |
VE |
VF |
UAB |
UBC |
UCD |
UDE |
UEF |
UFA |
A |
0 |
|
|
|
|
|
|
|
|
|
|
|
D |
|
|
|
0 |
|
|
|
|
|
|
|
|
五.实验注意事项
1.实验电路中使用的电源US2用0~+30V可调电源输出端,应将输出电压调到+12V后,再接入电路中。并防止电源输出端短路。
2.使用数字直流电压表测量电位时,用黑笔端插入参考电位点,红笔端插入被测各点,若显示正值,则表明该点电位为正(即高于参考点电位);若显示负值,表明该点电位为负(即该点电位低于参考点电位)。
3.使用数字直流电压表测量电压时,红笔端插入被测电压参考方向的正(+)端,黑笔端插入被测电压参考方向的负(-)端,若显示正值,则表明电压参考方向与实际方向一致;若显示负值,表明电压参考方向与实际方向相反。
六.预习与思考题
1.电位参考点不同,各点电位是否相同?任两点的电压是否相同,为什么?
2.在测量电位、电压时,为何数据前会出现±号,它们各表示什么意义?
3.什么是电位图形?不同的电位参考点电位图形是否相同?如何利用电位图形求出各点的电位和任意两点之间的电压。
七.实验报告要求
1.根据实验数据,分别绘制出电位参考点为A点和D点的两个电位图形。
2.根据电路参数计算出各点电位和相邻两点之间的电压值,与实验数据相比较,对误差作必要的分析。
3.回答思考题。
实验三 基尔霍夫定律的验证
一.实验目的
1.验证基尔霍夫定律,加深对基尔霍夫定律的理解。
2.掌握直流电流表的使用以及学会用电流插头、插座测量各支路电流的方法。
3.学习检查、分析电路简单故障的能力。
二.原理说明
基尔霍夫定律:
基尔霍夫电流定律和电压定律是电路的基本定律,它们分别描述结点电流和回路电压,即对电路中的任一结点而言,在设定电流的参考方向下,应有ΣI =0。一般流出结点的电流取负号,流入结点的电流取正号;对任何一个闭合回路而言,在设定电压的参考方向下,绕行一周,应有ΣU =0,一般电压方向与绕行方向一致的电压取正号,电压方向与绕行方向相反的电压取负号。
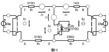
在实验前,必须设定电路中所有电流、电压的参考方向,其中电阻上的电压方向应与电流方向一致,见图3-1所示。
三.实验设备
1.直流数字电压表、直流数字电流表;
2.恒压源(双路0~30V可调);
3.EEL-52A组件、弱电元件箱。
实验电路如图3-1所示,图中的电源US1用恒压源I路0~+30V可调电压输出端,并将输出电压调到+6V,US2用恒压源II路0~+30V可调电压输出端,并将输出电压调到+12V(以直流数字电压表读数为准)。开关S1 投向US1 侧,开关S2 投向US2 侧,开关S3 投向R3侧。

实验前先设定三条支路的电流参考方向,如图中的I1、I2、I3所示,并熟悉线路结构,掌握各开关的操作使用方法。
1.熟悉电流插头的结构,将电流插头的红接线端插入数字电流表的红(正)接线端,电流插头的黑接线端插入数字电流表的黑(负)接线端。
2.测量支路电流
将电流插头分别插入三条支路的三个电流插座中,读出各个电流值。按规定:在结点A,电流表读数为‘+’,表示电流流入结点,读数为‘-’,表示电流流出结点,然后根据图3-1中的电流参考方向,确定各支路电流的正、负号,并记入表3-1中。
表3-1 支路电流数据
支路电流(mA) |
I1 |
I2 |
I3 |
计算值 |
|
|
|
测量值 |
|
|
|
相对误差 |
|
|
|
3.测量元件电压
用直流数字电压表分别测量两个电源及电阻元件上的电压值,将数据记入表3-2中。测量时电压表的红(正)接线端应插入被测电压参考方向的高电位端,黑(负)接线端插入被测电压参考方向的低电位端。
表3-2 各元件电压数据
各元件电压(V) |
US1 |
US2 |
UR1 |
UR2 |
UR3 |
UR4 |
UR5 |
计算值(V) |
|
|
|
|
|
|
|
测量值(V) |
|
|
|
|
|
|
|
相对误差 |
|
|
|
|
|
|
|
1.所有需要测量的电压值,均以电压表测量的读数为准,不以电源表盘指示值为准。
2.防止电源两端碰线短路。
3.若用指针式电流表进行测量时,要识别电流插头所接电流表的“+、-”极性,倘若不换接极性,则电表指针可能反偏而损坏设备(电流为负值时),此时必须调换电流表极性,重新测量,此时指针正偏,但读得的电流值必须冠以负号。
1.根据图3-1的电路参数,计算出待测的电流I1、I2、I3和各电阻上的电压值,记入表3-2中,以便实验测量时,可正确地选定毫安表和电压表的量程;
2.在图3-1的电路中,A、D两结点的电流方程是否相同?为什么?
3.在图3-1的电路中可以列几个电压方程?它们与绕行方向有无关系?
4.实验中,若用指针万用表直流毫安档测各支路电流,什么情况下可能出现毫安表指针反偏,应如何处理,在记录数据时应注意什么?若用直流数字毫安表进行测量时,则会有什么显示呢?
七.实验报告要求
1.回答思考题。
2.根据实验数据,选定实验电路中的任一个结点,验证基尔霍夫电流定律(KVL)的正确性。
3.根据实验数据,选定实验电路中的任一个闭合回路,验证基尔霍夫电压定律(KCL)的正确性。
4.列出求解电压UEA和UCA的电压方程,并根据实验数据求出它们的数值。
5.写出实验中检查、分析电路故障的方法,总结查找故障的体会。
实验四 线性电路叠加性和齐次性验证
一.实验目的
1.验证叠加原理
2.了解叠加原理的应用场合。
3.理解线性电路的叠加性。
二.原理说明
叠加原理指出:在有几个电源共同作用下的线性电路中,通过每一个元件的电流或其两端的电压,可以看成是由每一个电源单独作用时在该元件上所产生的电流或电压的代数和。具体方法是:一个电源单独作用时,其它的电源必须去掉(电压源短路,电流源开路);在求电流或电压的代数和时,当电源单独作用时电流或电压的参考方向与共同作用时的参考方向一致时,符号取正,否则取负。在图4-1中:


叠加原理反映了线性电路的叠加性,线性电路的齐次性是指当激励信号(如电源作用)增加或减小K倍时,电路的响应(即在电路其它各电阻元件上所产生的电流和电压值)也将增加或减小K倍。叠加性和齐次性都只适用于求解线性电路中的电流、电压。对于非线性电路,叠加性和齐次性都不适用。
三.实验设备
1.直流数字电压表、直流数字电流表;
2.恒压源(双路0~30V可调);
3.EEL-52A组件、弱电元件箱。
四.实验内容
实验电路如图4-2所示,图中:
,
,
,图中的电源US1用恒压源I路0~+30V可调电压输出端,并将输出电压调到+12V,US2用恒压源II路0~+30V可调电压输出端,并将输出电压调到+6V(以直流数字电压表读数为准),开关S3 投向R3侧。
1.US1电源单独作用(将开关S1投向US1侧,开关S2投向短路侧),参考图4-1(b),画出电路图,标明各电流、电压的参考方向。
用直流数字毫安表接电流插头测量各支路电流:将电流插头的红接线端插入数字电流表的红(正)接线端,电流插头的黑接线端插入数字电流表的黑(负)接线端,测量各支路电流,按规定:在结点A,电流表读数为‘+’,表示电流流入结点,读数为‘-’,表示电流流出结点,然后根据电路中的电流参考方向,确定各支路电流的正、负号,并将数据记入表4—1中。

用直流数字电压表测量各电阻元件两端电压:电压表的红(正)接线端应插入被测电阻元件电压参考方向的正端,电压表的黑(负)接线端插入电阻元件的另一端(电阻元件电压参考方向与电流参考方向一致),测量各电阻元件两端电压,数据记入表4—1中。
表4—1实验数据一
测量项目 实验内容 |
US1 (V) |
US2 (V) |
I1 (mA) |
I2 (mA) |
I3 (mA) |
UAB (V) |
UCD (V) |
UAD (V) |
UDE (V) |
UFA (V) |
US1单独作用 |
12 |
0 |
|
|
|
|
|
|
|
|
US2单独作用 |
0 |
6 |
|
|
|
|
|
|
|
|
US1, US2共同作用 |
12 |
6 |
|
|
|
|
|
|
|
|
US2单独作用 |
0 |
12 |
|
|
|
|
|
|
|
|
2.US2电源单独作用(将开关S1投向短路侧,开关S2投向US2侧),画出电路图,标明各电流、电压的参考方向。
重复步骤1的测量并将数据记录记入表格4—1中。
3.US1和US2共同作用时(开关S1和S2分别投向US1和US2侧),各电流、电压的参考方向见图4-2。
完成上述电流、电压的测量并将数据记录记入表格4—1中。
4.将开关S3投向二极管VD侧,即电阻R5换成一只二极管1N4007,重复步骤1~3的测量过程,并将数据记入表4—2中。
表4—2 实验数据二
测量项目 实验内容 |
US1 (V) |
US2 (V) |
I1 (mA) |
I2 (mA) |
I3 (mA) |
UAB (V) |
UCD (V) |
UAD (V) |
UDE (V) |
UFA (V) |
US1单独作用 |
12 |
0 |
|
|
|
|
|
|
|
|
US2单独作用 |
0 |
6 |
|
|
|
|
|
|
|
|
US1, US2共同作用 |
12 |
6 |
|
|
|
|
|
|
|
|
US2单独作用 |
0 |
12 |
|
|
|
|
|
|
|
|
五.实验注意事项
1.用电流插头测量各支路电流时,应注意仪表的极性,及数据表格中“+、-”号的记录。
2.注意仪表量程的及时更换。
3.电压源单独作用时,去掉另一个电源,只能在实验板上用开关S1或S2操作,而不能直接将电压源短路。
六.预习与思考题
1.叠加原理中US1, US2分别单独作用,在实验中应如何操作?可否将要去掉的电源(US1或US2)直接短接?
2.实验电路中,若有一个电阻元件改为二极管,试问叠加性还成立吗?为什么?
七.实验报告要求
1.根据表4-1实验数据一,通过求各支路电流和各电阻元件两端电压,验证线性电路的叠加性与齐次性。
2.各电阻元件所消耗的功率能否用叠加原理计算得出?试用上述实验数据计算、说明。
3.根据表4-1实验数据一,当US1=US2=12V时,用叠加原理计算各支路电流和各电阻元件两端电压。
4.根据表4-2实验数据二,说明叠加性和齐次性是否适用该实验电路。
实验五 电压源、电流源及其电源等效变换
一.实验目的
1.掌握建立电源模型的方法。
2.掌握电源外特性的测试方法。
3.加深对电压源和电流源特性的理解。
4.研究电源模型等效变换的条件。
二.原理说明
1.电压源和电流源
电压源具有端电压保持恒定不变,而输出电流的大小由负载决定的特性。其外特性,即端电压U与输出电流I的关系U = f (I) 是一条平行于I轴的直线。实验中使用的恒压源在规定的电流范围内,具有很小的内阻,可以将它视为一个电压源。
电流源具有输出电流保持恒定不变,而端电压的大小由负载决定的特性。其外特性,即输出电流I与端电压U的关系I = f (U) 是一条平行于U轴的直线。实验中使用的恒流源在规定的电流范围内,具有极大的内阻,可以将它视为一个电流源。
2.实际电压源和实际电流源
实际上任何电源内部都存在电阻,通常称为内阻。因而,实际电压源可以用一个内阻RS和电压源US串联表示,其端电压U随输出电流I增大而降低。在实验中,可以用一个小阻值的电阻与恒压源相串联来模拟一个实际电压源。
实际电流源是用一个内阻RS和电流源IS并联表示,其输出电流I随端电压U增大而减小。在实验中,可以用一个大阻值的电阻与恒流源相并联来模拟一个实际电流源。
3.实际电压源和实际电流源的等效互换
一个实际的电源,就其外部特性而言,既可以看成是一个电压源,又可以看成是一个电流源。若视为电压源,则可用一个电压源Us与一个电阻RS相串联表示;若视为电流源,则可用一个电流源IS与一个电阻RS相并联来表示。若它们向同样大小的负载供出同样大小的电流和端电压,则称这两个电源是等效的,即具有相同的外特性。
实际电压源与实际电流源等效变换的条件为:
(1)取实际电压源与实际电流源的内阻均为RS;
(2)已知实际电压源的参数为Us和RS,则实际电流源的参数为
和RS,
若已知实际电流源的参数为Is和RS,则实际电压源的参数为
和RS。
三.实验设备
1.直流数字电压表、直流数字电流表;
2.恒压源(双路0~30V可调);
3.恒流源(0~200mA可调);
4.EEL-52A组件、弱电元件箱。
四.实验内容
1.测定电压源(恒压源)与实际电压源的外特性
实验电路如图5-1所示,图中的电源US用恒压源0~+30V可调电压输出端,并将输出电压调到+6V,R1取200Ω的固定电阻,R2取470Ω的电位器。调节电位器R2,令其阻值由大至小变化,将电流表、电压表的读数记入表5-1中。
表5-1 电压源(恒压源)外特性数据

在图5-1 电路中,将电压源改成实际电压源,如图5-2所示,图中内阻RS取51Ω的固定电阻,调节电位器R2,令其阻值由大至小变化,将电流表、电压表的读数记入表5-2中。
表5-2 实际电压源外特性数据
2.测定电流源(恒流源)与实际电流源的外特性
按图5-3接线,图中IS为恒流源,调节其输出为5mA(用毫安表测量),R2取470Ω的电位器,在RS分别为1kΩ和∞两种情况下,调节电位器R2,令其阻值由大至小变化,将电流表、电压表的读数记入自拟的数据表格中。
3.研究电源等效变换的条件
按图5-4电路接线,其中(a)、(b)图中的内阻RS均为51Ω,负载电阻R均为200Ω。
在图5-4 (a)电路中,US用恒压源0~+30V可调电压输出端,并将输出电压调到+6V,记录电流表、电压表的读数。然后调节图5-4 (b)电路中恒流源IS,令两表的读数与图5-4(a)的数值相等,记录IS之值,验证等效变换条件的正确性。
五.实验注意事项
1.在测电压源外特性时,不要忘记测空载(I=0)时的电压值;测电流源外特性时,不要忘记测短路(U=0)时的电流值,注意恒流源负载电压不可超过20V,负载更不可开路。
2.换接线路时,必须关闭电源开关。
3.直流仪表的接入应注意极性与量程。
六.预习与思考题
1.电压源的输出端为什么不允许短路?电流源的输出端为什么不允许开路?
2.说明电压源和电流源的特性,其输出是否在任何负载下能保持恒值?
3.实际电压源与实际电流源的外特性为什么呈下降变化趋势,下降的快慢受哪个参数影响?
4.实际电压源与实际电流源等效变换的条件是什么?所谓‘等效’是对谁而言?电压源与电流源能否等效变换?
七.实验报告要求
1.根据实验数据绘出电源的四条外特性,并总结、归纳两类电源的特性。
2.从实验结果,验证电源等效变换的条件。
3.回答思考题1。
实验六 戴维南定理和诺顿定理的验证
一.实验目的
1.验证戴维南定理、诺顿定理的正确性,加深对该定理的理解。
2.掌握测量有源二端网络等效参数的一般方法。
二.实验原理
1.戴维南定理和诺顿定理
戴维南定理指出:任何一个有源二端网络如图6-1(a),总可以用一个电压源US和一个电阻RS串联组成的实际电压源来代替如图6-1(b),其中:电压源US等于这个有源二端网络的开路电压UOC, 内阻RS等于该网络中所有独立电源均置零(电压源短接,电流源开路)后的等效电阻RO。
诺顿定理指出:任何一个有源二端网络如图6-1(a),总可以用一个电流源IS和一个电阻RS并联组成的实际电流源来代替如图6-1(c),其中:电流源IS等于这个有源二端网络的短路电源ISC, 内阻RS等于该网络中所有独立电源均置零(电压源短接,电流源开路)后的等效电阻RO。
US、RS和IS、RS称为有源二端网络的等效参数。

2.有源二端网络等效参数的测量方法
(1)开路电压、短路电流法
在有源二端网络输出端开路时,用电压表直接测其输出端的开路电压UOC, 然后再将其输出端短路,测其短路电流ISC,且内阻为:
。
若有源二端网络的内阻值很低时,则不宜测其短路电流。
(2)伏安法
一种方法是用电压表、电流表测出有源二端网络的外特性曲线,如图6-2所示。开路电压为UOC,根据外特性曲线求出斜率tgφ,则内阻为:
。
另一种方法是测量有源二端网络的开路电压UOC,以及额定电流IN和对应的输出端额定电压UN,如图6-1所示,则内阻为:
。
(3)半电压法
如图6-3所示,当负载电压为被测网络开路电压UOC一半时,负载电阻RL的大小(由电阻箱的读数确定)即为被测有源二端网络的等效内阻RS数值。
(4)零示法
在测量具有高内阻有源二端网络的开路电压时,用电压表进行直接测量会造成较大的误差,为了消除电压表内阻的影响,往往采用零示测量法,如图6-4所示。零示法测量原理是用一低内阻的恒压源与被测有源二端网络进行比较,当恒压源的输出电压与有源二端网络的开路电压相等时,电压表的读数将为“0”,然后将电路断开,测量此时恒压源的输出电压U,即为被测有源二端网络的开路电压。
三.实验设备
1.直流数字电压表、直流数字电流表;
2.恒压源(双路0~30V可调);
3.恒源流(0~200mA可调);
4.弱电元件箱;
5.EEL-52A组件。
四.实验内容
被测有源二端网络如图6-5所示.。

1.在图6-5所示线路接入恒压源US=12V和恒流源IS=20mA及可变电阻RL。
测开路电压UOC:在图6-5电路中,断开负载RL,用电压表测量开路电压UOC,将数据记入表6-1中。
测短路电流ISC:在图6-5电路中,将负载RL短路,用电流表测量短路电流ISC,将数据记入表6-1中。
表6-1
Uoc(V) |
Isc(mA) |
Rs=Uoc/Isc |
|
|
|
2.负载实验
测量有源二端网络的外特性:在图6-5电路中,改变负载电阻RL的阻值,逐点测量对应的电压、电流,将数据记入表6-6中。并计算有源二端网络的等效参数US和RS。
表6-2
RL(W) |
990 |
900 |
800 |
700 |
600 |
500 |
400 |
300 |
200 |
100 |
U(V) |
|
|
|
|
|
|
|
|
|
|
I(mA) |
|
|
|
|
|
|
|
|
|
|
3.验证戴维南定理
测量有源二端网络等效电压源的外特性:图6-1(b)电路是图6-5的等效电压源电路,图中,电压源US用恒压源的可调稳压输出端,调整到表6-1中的UOC数值,内阻RS按表6-1中计算出来的RS(取整)选取固定电阻。然后,用电阻箱改变负载电阻RL 的阻值,逐点测量对应的电压、电流,将数据记入表6-3中。
表6-3有源二端网络等效电流源的外特性数据
RL(W) |
990 |
900 |
800 |
700 |
600 |
500 |
400 |
300 |
200 |
100 |
U(V) |
|
|
|
|
|
|
|
|
|
|
I(mA) |
|
|
|
|
|
|
|
|
|
|
测量有源二端网络等效电流源的外特性:恒流源调整到表6-1中的ISC数值,内阻RS按表6-1中计算出来的RS(取整)选取固定电阻。然后,用电阻箱改变负载电阻RL 的阻值,逐点测量对应的电压、电流,将数据记入表6-4中。
表6-4有源二端网络等效电流源的外特性数据
RL(W) |
990 |
900 |
800 |
700 |
600 |
500 |
400 |
300 |
200 |
100 |
UAB(V) |
|
|
|
|
|
|
|
|
|
|
I(mA) |
|
|
|
|
|
|
|
|
|
|
4.测定有源二端网络等效电阻(又称入端电阻)的其它方法:将被测有源网络内的所有独立源置零(将电流源IS去掉,也去掉电压源,并在原电压端所接的两点用一根短路导线相连),然后用伏安法或者直接用万用表的欧姆档去测定负载RL开路后A.,B两点间的电阻,此即为被测网络的等效内阻Req或称网络的入端电阻R1。
Req== (W)
5.用半电压法和零示法测量被测网络的等效内阻Ro及其开路电压Uoc。
半电压法:在图6-5电路中,首先断开负载电阻RL,测量有源二端网络的开路电压UOC,然后接入负载电阻RL,调节RL直到两端电压等于
为止,此时负载电阻RL的大小即为等效电源的内阻RS的数值。记录UOC和RS数值。
零示法测开路电压UOC:实验电路如图6-4所示,其中:有源二端网络选用网络1,恒压源用0~30V可调输出端,调整输出电压U,观察电压表数值,当其等于零时输出电压U的数值即为有源二端网络的开路电压UOC,并记录UOC数值。
五.实验注意事项
1.测量时,注意电流表量程的更换。
2.改接线路时,要关掉电源。
六.预习与思考题
1.如何测量有源二端网络的开路电压和短路电流,在什么情况下不能直接测量开路电压和短路电流?
2.说明测量有源二端网络开路电压及等效内阻的几种方法,并比较其优缺点。
七.实验报告要求
1.回答思考题2。
2.根据表6-1和表6-2的数据,计算有源二端网络的等效参数US和RS。
3.根据半电压法和零示法测量的数据,计算有源二端网络的等效参数US和RS。
4.实验中用各种方法测得的UOC和RS是否相等?试分析其原因。
5.根据表6-2、表6-3和表6-4的数据,绘出有源二端网络和有源二端网络等效电路的外特性曲线, 验证戴维南定理和诺顿定理的正确性。
6.说明戴维南定理和诺顿定理的应用场合。
实验七 最大功率传输条件的研究
一.实验目的
1.理解阻抗匹配,掌握最大功率传输的条件。
2.掌握根据电源外特性设计实际电源模型的方法。
二.原理说明
电源向负载供电的电路如图7-1所示,图中RS为电源内阻,RL为负载电阻。当电路电流为I时,负载RL得到的功率为:


可见,当电源US和RS确定后,负载得到的功率大小只
与负载电阻RL有关。
令
,解得:RL= RS时,负载得到最大功率:
。
RL=RS 称为阻抗匹配,即电源的内阻抗(或内电阻)与负载阻抗(或负载电阻)相等时,负载可以得到最大功率。也就是说,最大功率传输的条件是供电电路必须满足阻抗匹配。
负载得到最大功率时电路的效率:
50% 。
实验中,负载得到的功率用电压表、电流表测量。
三.实验设备
1.直流数字电压表、直流数字电流表;
2.恒压源(双路0~30V可调);
3.恒流源(0~200mA可调);
4.EEL-52A组件、EEL—51P。
四.实验内容
1.根据电源外特性曲线设计一个实际电压源模型
已知电源外特性曲线如图7-2所示,根据图中给出的开路电压和短路电流数值,计算出实际电压源模型中的电压源US和内阻RS。实验中,电压源US选用恒压源的可调稳压输出端,内阻RS选用固定电阻。
2.测量电路传输功率
用上述设计的实际电压源与负载电阻RL相连,电路如图7-3所示,图中RL选用电阻箱,从0~600Ω改变负载电阻RL的数值,测量对应的电压、电流,将数据记入表7-1中。
表7-1 电路传输功率数据
RL(Ω) |
0 |
100 |
200 |
300 |
400 |
500 |
600 |
U(V) |
|
|
|
|
|
|
|
I(mA) |
|
|
|
|
|
|
|
PL(mW) |
|
|
|
|
|
|
|
η% |
|
|
|
|
|
|
|
五.实验注意事项
电源用恒压源的可调电压输出端,其输出电压根据计算的电压源US数值进行调整,防止电源短路。
六.预习与思考题
1.什么是阻抗匹配?电路传输最大功率的条件是什么?
2.电路传输的功率和效率如何计算?
3.根据图7-2给出的电源外特性曲线,计算出实际电压源模型中的电压源US和内阻RS,作为实验电路中的电源。
4.电压表、电流表前后位置对换,对电压表、电流表的读数有无影响?为什么?
七.实验报告要求
1.回答思考题4。
2.根据表7-1的实验数据,计算出对应的负载功率PL,并画出负载功率PL随负载电阻RL变化的曲线,找出传输最大功率的条件。
3.根据表7-1的实验数据,计算出对应的效率η,指明:(1)传输最大功率时的效率;(2)什么时候出现最大效率?由此说明电路在什么情况下,传输最大功率才比较经济、合理。
实验八 受控源研究
一.实验目的
1.加深对受控源的理解。
2.熟悉由运算放大器组成受控源电路的分析方法,了解运算放大器的应用。
3.掌握受控源特性的测量方法。
二.实验原理
1.受控源
受控源向外电路提供的电压或电流是受其它支路的电压或电流控制,因而受控源是双口元件:一个为控制端口,或称输入端口,输入控制量(电压或电流),另一个为受控端口或称输出端口,向外电路提供电压或电流。受控端口的电压或电流,受控制端口的电压或电流的控制。根据控制变量与受控变量的不同组合,受控源可分为四类:
(1)电压控制电压源(VCVS),如图8-1(a)所示,其特性为:


其中:
称为转移电压比(即电压放大倍数)。
(2)电压控制电流源(VCCS),
如图8-1(b)所示,其特性为:

其中:
称为转移电导。
(3)电流控制电压源(CCVS),如图8-1(c)所示,其特性为:

其中:
称为转移电阻。
(4)电流控制电流源(CCCS),如图8-1(d)所示,其特性为:
其中:
称为转移电流比(即电流放大倍数)。
2.用运算放大器组成的受控源
运算放大器的电路符号如图8-2所示,具有两个输入端:同相输入端u+和反相输入端u-,一个输出端uo,放大倍数为A,则uo=A(u+-u-)。
对于理想运算放大器,放大倍数A为∞,输入电阻为∞,输出电阻为0,由此可得出两个特性:
特性1:u+=u-;
特性2:i+=i-=0。
(1)电压控制电压源(VCVS)
电压控制电压源电路如图8-3所示。
由运算放大器的特性1可知:
则

由运算放大器的特性2可知:
代入
、
得:
可见,运算放大器的输出电压u2受输入电压u1控制,其电路模型如图8-1(a)所示,转移电压比:
。
(2)电压控制电流源(VCCS)
电压控制电流源电路如图8-4所示。
由运算放大器的特性1可知:
则
由运算放大器的特性2可知:
即i2只受输入电压u1控制,与负载RL无关(实际上要求RL为有限值)。其电路模型如图8-1(b)所示。
转移电导为:
(3)电流控制电压源(CCVS)
电流控制电压源电路如图8-5所示。
由运算放大器的特性1可知:
u2=RX iR
由运算放大器的特性2可知:
代入上式,得: 
即输出电压u2受输入电流i1的控制。其电路模型
如图8-1(c)所示。
转移电阻为: 
(4)电流控制电流源(CCCS)
电流控制电流源电路如图8-6所示。
由运算放大器的特性1可知:
由运算放大器的特性2可知: 
代入上式,
即输出电流i2只受输入电流i1的控制。与负载RL无关。它的电路模型如图8-1(d)所示。转移电流比 
三.实验设备
1.直流数字电压表、直流数字电流表;
2.恒压源(双路0~30V可调);
3.恒流源(0~200mA可调);
4.EEL-52A组件、弱电元件箱。
四.实验内容
1.测试电压控制电流源(VCCS)特性
实验电路如图8-1(b)所示,图中,U1用恒压源的可调电压输出端,i2 两端接负载RL=2kΩ(用电阻箱)。
(1)测试VCCS的转移特性I2=f(U1)
调节恒压源输出电压U1(以电压表读数为准),用电流表测量对应的输出电流I2,将数据记入表8-1中。
表8-1 VCCS的转移特性数据
U1/V |
0 |
0.5 |
1 |
1.5 |
2 |
2.5 |
3 |
3.5 |
4 |
I2/mA |
|
|
|
|
|
|
|
|
|
(2)测试VCCS的负载特性I2=f(RL)
保持U1=2V,负载电阻RL用电阻箱,并调节其大小,用电流表测量对应的输出电流I2,将数据记入表8-2中。
表8-2 VCVS的负载特性数据
RL/kΩ |
50 |
20 |
10 |
5 |
3 |
1 |
0.5 |
0.2 |
0.1 |
I2/mA |
|
|
|
|
|
|
|
|
|
2.测试电流控制电压源(CCVS)特性
实验电路如图8-1(c)所示,图中,I1用恒流源,输出U2 两端接负载RL=2kΩ(用电阻箱)。
(1)测试CCVS的转移特性U2=f(U1)
调节恒流源输出电流I1(以电流表读数为准),用电压表测量对应的输出电压U2,将数据记入表8-3中。
表8-3 CCVS的转移特性数据
I1/ mA |
0 |
0.05 |
0.1 |
0.15 |
0.2 |
0.25 |
0.3 |
0.4 |
U2/V |
|
|
|
|
|
|
|
|
(2)测试CCVS的负载特性U2=f(RL)
保持I1=0.2mA,负载电阻RL用电阻箱,并调节其大小,用电压表测量对应的输出电压U2,将数据记入表8-4中。
表8-4 CCVS的负载特性数据
RL/Ω |
50 |
100 |
150 |
200 |
500 |
1k |
2k |
10k |
80k |
U2/V |
|
|
|
|
|
|
|
|
|
3.测试电压控制电压源(VCVS)特性
电压控制电压源(VCVS)可由电压控制电流源(VCCS)和电流控制电压源(CCVS)串联而成。实验电路由8-1(b)、I构成,将图8-1(b)的输入端u1 接恒压源的可调输出端,输出端i2 与图8-1 I的输入端i1相连,图8-1I的输出端u2 接负载RL=2kΩ(用电阻箱)。
(1)测试VCVS的转移特性U2=f(U1)
调节恒压源输出电压U1(以电压表读数为准),用电压表测量对应的输出电压U2,将数据记入表8-5中。
表8-5 VCVS的转移特性数据
U1/V |
0 |
1 |
2 |
3 |
4 |
4.5 |
5 |
U2/V |
|
|
|
|
|
|
|
(2)测试VCVS的负载特性U2=f(RL)
保持U1=2V,负载电阻RL用电阻箱,并调节其大小,用电压表测量对应的输出电压U2,将数据记入表8-6中。
表8-6 VCVS的负载特性数据
RL/Ω |
50 |
70 |
100 |
200 |
300 |
400 |
500 |
1000 |
2000 |
U2/V |
|
|
|
|
|
|
|
|
|
4.测试电流控制电流源(CCCS)特性
电流控制电流源(CCCS)可由电流控制电压源(CCVS)和电压控制电流源(VCCS)串联而成。实验电路由8-1(c)、(b)构成,将图8-1(c)的输入端i1 接恒流源,输出端u2 与图8-1 (c)的输入端u1相连,图8-1(b)的输出端i2 接负载RL=2kΩ(用电阻箱)。
(1)测试CCCS的转移特性I2=f(I1)
调节恒流源输出电流I1(以电流表读数为准),用电流表测量对应的输出电流I2,I1、I2分别用EEL-31组件中的电流插座5-6和17-18测量,将数据记入表8-7中。
表8-7 CCCS的转移特性数据
I1/mA |
0 |
0.05 |
0.1 |
0.15 |
0.2 |
0.25 |
0.3 |
0.4 |
I2/mA |
|
|
|
|
|
|
|
|
(2)测试CCCS的负载特性I2=f(RL)
保持I1=0.2mA,负载电阻RL用电阻箱,并调节其大小,用电流表测量对应的输出电流I2,将数据记入表8-8中。
表8-8 CCCV的负载特性数据
RL/Ω |
50 |
100 |
150 |
200 |
500 |
1k |
2k |
10k |
80k |
I2/mA |
|
|
|
|
|
|
|
|
|
五.实验注意事项
1.用恒流源供电的实验中,不允许恒流源开路。
2.运算放大器输出端不能与地短路,输入端电压不宜过高(小于5V)。
六.预习与思考题
1.什么是受控源?了解四种受控源的缩写、电路模型、控制量与被控量的关系。
2.四种受控源中的转移参量μ、g、r和β的意义是什么?如何测得?
3.若受控源控制量的极性反向,试问其输出极性是否发生变化?
4.如何由两个基本的CCVC和VCCS获得其它两个CCCS和VCVS,它们的输入输出如何连接?
5.了解运算放大器的特性,分析四种受控源实验电路的输入、输出关系。
七.实验报告要求
1.根据实验数据,在方格纸上分别绘出四种受控源的转移特性和负载特性曲线,并求出相应的转移参量μ、g、r和β。
2.参考实验数据,说明转移参量μ、g、r和β受电路中哪些参数的影响?如何改变它们的大?
3.回答预习与思考题中的3题。
4.对实验的结果作出合理地分析和结论,总结对四种受控源的认识和理解。
实验九 直流双口网络的研究
一.实验目的
1.加深理解双口网络的基本理论。
2.掌握直流双口网络传输参数的测试方法。
二.原理说明
1.双口网络的基本概念
对于任何一个线性双口网络,通常关心的往往只是输入端口和输出端口电压和电流间的相互关系。双口网络端口的电压和电流四个变量之间的关系,可以用多种形式的参数方程来表示。本实验采用输出口的电压U2和电流I2作为自变量,以输入口的电压U1和电流I1作为应变量,所得的方程称为双口网络的传输方程,如图9-1所示的无源线性双口网络(又称为四端网络)的传输方程为

式中的A、B、C、D为双口网络的传输参数,其值完全决定于网络的拓扑结构及各支路元件的参数值,这四个参数表征了该双口网络的基本特性。
2.双口网络传输参数的测试方法
(1)双端口同时测量法
在网络的输入口加上电压,在两个端口同时测量其电压和电流, 由传输方程可得A、B、C、D四个参数:
(令
,即输出口开路时)
(令
,即输出口短路时)
(令
,即输出口开路时)
(令
,即输出口短路时)
(2)双端口分别测量法
先在输入口加电压,而将输出口开路和短路,测量输入口的电压和电流,由传输方程可得:
(令
,即输出口开路时)
(令
,即输出口短路时)
然后在输出口加电压,而将输入口开路和短路,测量输出口的电压和电流,由传输方程可得:
(令
,即输入口开路时)
(令
,即输入口短路时)
分别表示一个端口开路和短路时另一端口的等效输入电阻,这四个参数中有三个是独立的,因此,只要测量出其中任意三个参数(如
),与方程AD-BC=1(双口网络为互易双口,该方程成立)联立,便可求出四个传输参数:
。
3.双口网络的级联
双口网络级联后的等效双口网络的传输参数亦可采用上述方法之一求得。根据双口网络理论推得:双口网络1与双口网络2级联后等效的双口网络的传输参数,与网络1和网络2的传输参数之间有如下的关系:
三.实验设备
1.直流数字电压表、直流数字电流表;
2.恒压源(双路0~30V可调);
3.EEL-52A组件、弱电元件箱。
四.实验内容
实验电路如图9-2(a)、(b)所示,其中图(a)为T型网络,图(b)为Π型网络。将恒压源的输出电压调到10V,作为双口网络的输入电压U1,各个电流均用电流插头、插座测量。

1.用‘双端口同时测量法’测定双口网络传输参数
根据‘双端口同时测量法’的原理和方法,按照表9-1、2的内容,分别测量T型网络和Π型网络的电压、电流,并计算出传输参数A、B、C、D值,将所有数据记入表9-1、2中。
表9-1 测定传输参数的实验数据一
|
T型网络 |
输出端开路 I2=0 |
测 量 值 |
计 算 值 |
U1O(V) |
U2O(V) |
I1O(mA) |
A |
C |
|
|
|
|
|
输出端短路 U2=0 |
U1S(V) |
I1S(mA) |
I2S(mA) |
B |
D |
|
|
|
|
|
表9-2 测定传输参数的实验数据二
|
Π型网络 |
输出端开路 I2=0 |
测 量 值 |
计 算 值 |
U1O(V) |
U2O(V) |
I1O(mA) |
A |
C |
|
|
|
|
|
输出端短路 U2=0 |
U1S(V) |
I1S(mA) |
I2S(mA) |
B |
D |
|
|
|
|
|
2.用‘双端口分别测量法’ 测定级联双口网络传输参数
将T型网络的输出口与Π型网络的输入口连接,组成级联双口网络,根据‘双端口分别测量法’的原理和方法,按照表9-3的内容,分别测量级联双口网络输入口和输出口的电压、电流,并计算出等效输入电阻和传输参数A、B、C、D,将所有数据记入表9-3中。
表9-3 测定级联双口网络传输参数的实验数据
|
输出端开路I2=0 |
输出端短路U2=0 |
计 算 传输参数 |
U1O(V) |
I1O(mA) |
R1O |
U1S(V) |
I1S(mA) |
R1S |
|
|
|
|
|
|
输入端开路I1=0 |
输入端短路U1=0 |
A B C D |
U2O(V) |
I2O(mA) |
R2O |
U2S(V) |
I2S(mA) |
R2S |
|
|
|
|
|
|
五.实验注意事项
1.用电流插头插座测量电流时,要注意判别电流表的极性及选取适合的量程(根据所给的电路参数,估算电流表量程)。
2.两个双口网络级联时,应将一个双口网络1的输出端与另一双口网络2的输入端联接。
六.预习与思考题
1.说明是双口网络的传输参数?它们有何物理意义?
2.试述双口网络‘同时测量法’与‘分别测量法’的测量步骤,优缺点及其适用场合。
3.用两个双口网络组成的级联双口网络的传输参数如何测定?
七.实验报告要求
1.整理各个表格中的数据,完成指定的计算。
2.写出各个双口网络的传输方程。
3.验证级联双口网络的传输参数与级联的两个双口网络传输参数之间的关系。
4.回答思考题1。
实验十 互易定理
一. 实验目的
1.验证互易定理。
2.进一步熟悉直流电流表、直流电压表及电压源和电流源的使用方法。
3.了解仪表误差对测量结果的影响。
二. 原理说明
互易定理是线性电路的一个重要性质。所谓互易,是指对线性电路,当只有一个激励源(一般不含受控源)时,激励与其在另一支路中的响应可以等值地相互易换位置。
互易定理有三种基本形式,如图10-1是互易定理的第一种形式,在只有一个独立电压源激励下,在图(a)中的1-1‘端接一个电压源Us,将2-2‘端短路,且该电路I1是电路中唯一的电压源Us所产生的响应。则将电压源Us移至2-2‘端,而将1-1‘端短路如图(b),那么有I2=I1。
(a) (b)
图10-1 互易定理示意图(一)
如图10-2是互易定理的第二种形式,在只有一个独立电流源激励下,在图(a)中的3-3‘端接一个电流源Is,将4-4‘端开路,且该电路端口电压U1是电路中唯一的电流源Is所产生的响应。则将电流源Us移至4-4‘端,而将3-3‘端开路如图(b),那么有U2=U1(或者等于电流源Is扩大或者减小的倍数与U1的乘积)。
(a) (b)
图10-2 互易定理示意图(二)
如图10-3是互易定理的第三种形式,在两组相同的电路中分别有一个单独的激励源,其中激励源Is与激励源Us在数值上相等。在图(a)中的5-5‘端接一个电流源Is,将6-6‘端短路,且该电路端口电流I3是电路中唯一的电流源Is所产生的响应。则将电流源Is改为电压源Us移至6-6‘端,而将5-5‘端开路如图(b),那么有U3=I3。
(a) (b)
图10-3互易定理示意图(三)
三.实验设备
1.直流电压、电流表;
2.电压源(双路0~30V可调);
3.电流源(0~200mA可调);
4.EEL-52A组件、弱电元件箱。

四.实验内容
图10-4 互易定理图
如图10-4所示,电路中激励源U11由双路0~30V可调电压源提供,首先将激励源接在200欧的支路上,测量其在300欧支路中的电流响应I11;再将激励源U11移至300欧的支路上,测量其在200欧支路上的电流响应I12。激励源分别取4组不同的电压值,记录不同电压值下的I11和I12电流值,记录在表10-1中,分析测量结果,并验证互易定理。
表10-1

图10-5 互易定理图
2.如图10-5所示,电路中激励源I21由可调电流源提供,先将激励源接在200欧电阻上,测量其在300欧电阻上的电压响应U21;再将激励源I21接在300欧电阻上,测量其在200欧电阻上的电压响应U22。激励源分别取4组不同的电流值,记录不同电流值下的U21和U22的电压值,记录在表10-2中,分析测量结果,并验证互易定理。
表10-2
图10-6 互易定理图
3. 如图10-6所示,在两组相同的电路中分别有一个单独的激励源,其中激励源I31与激励源U31在数值上相等。先将激励源I31接在200欧支路上,测量其在300欧支路上的电流响应I32;再将激励源U31接在300欧支路上,测量其在200欧支路上的电压响应U32。取4组不同的激励源的值,分别记录I32和U32的值,记录在表(3)中,分析测量结果,并验证互易定理。
表(3)
I31(mA) |
|
|
|
|
I32(mA) |
|
|
|
|
U31(V) |
|
|
|
|
U32(V) |
|
|
|
|
五.实验注意事项
1.连接实验电路前,按老师要求,将电源的电压值/电流值还原到初始状态,然后关掉电源待用。
2. 谨防稳压电源输出端短路。当一个激励源单独作用时,应将另一电源拆除,用短路线代替,不能直接将电源短路,特别注意拆改线路前要先关断电源。
3. 注意测量数据的实际方向和参考方向之间的关系。
六.预习与思考题
1.预习直流电压表、直流电流表、直流电压源和电流源的使用方法。
2.结合电路结构及电路参数,计算实验电路中被测量的数值,验证互易定理。
3.设计合理的数据表格。
实验十一 典型周期性电信号的观察和测量
一.实验目的
1.加深理解周期性信号的有效值和平均值的概念,学会计算方法;
2.了解几种周期性信号(正弦波、矩形波、三角波)的有效值、平均值和幅值的关系;
3.掌握信号源的使用方法。
二.原理说明
正弦波、矩形波、三角波都属于周期性信号,它们的电压波形如图
9
-
1
(a)、(b)、(c)所示,图中各波形的幅值为
U
m
,周期为
T
。用有效值表示周期性信号的大小(作功能力),平均值表示周期性信号在一个周期里平均起来的大小,本实验是取波形绝对值的平均值,它们都与幅值有一定关系。
1.正弦波电压有效值、平均值的计算
如图11-1(a)所示,设正弦波电压
,
有效值:
正弦波电压的平均值为零,若按正弦波电压绝对值(即全波整流波形)计算,
平均值:
2.矩形波电压有效值、平均值的计算
如图11-1(b)所示,有效值等于电压的‘方均根’,由于电压波形对称,只计算半个周期即可,

取波形绝对值的平均值,同样,只计算半个周期即可,

3.三角波电压有效值、平均值的计算
如图11-1(a)所示,由于波形对称,在四分之一个周期里,
,则有效值:

取波形绝对值的平均值,同样,只计算四分之一个周期即可,

三.实验设备
1.示波器(自备);
2.信号源。
四.实验内容
1.观测正弦波的波形和幅值
a.将信号源的‘波形选择’开关置正弦波信号位置上;
b.将信号源的信号输出端与示波器连接;
d.接通信号源电源,调节信号源的频率旋钮(包括‘频段选择’开关、频率粗调和频率细调旋钮),使输出信号的频率为1kHz(由频率计读出),调节输出信号的‘幅值调节’旋钮,使信号源输出‘幅值’ 为1V,观察波形。
2.观测矩形波的波形和幅值
将信号源的‘波形选择’开关置方波信号位置上,重复上述步骤。
3.观测三角波的波形和幅值
将信号源的‘波形选择’开关置锯齿波信号位置上,重复上述步骤。
五.预习与思考题
1.了解周期性信号有效值、平均值和幅值的概念。
2.若正弦波、矩形波、三角波的幅值均为1V,试计算它们的有效值和平均值(正弦波的平均值按全波整流波形计算)。
六.实验报告要求
1.回答思考题2。
2.整理实验数据,并与计算值(思考题2)相比较。
3.试计算图11-2所示波形(方波)的有效值和平均值。
实验十二 RC一阶电路的响应测试
一.实验目的
1.研究RC一阶电路的零输入响应、零状态响应和全响应的规律和特点。
2.学习一阶电路时间常数的测量方法,了解电路参数对时间常数的影响。
3.掌握微分电路和积分电路的基本概念。
二.原理说明
1.RC一阶电路的零状态响应
RC一阶电路如图12-1所示,开关S在‘1’的位置,uC=0,处于零状态,当开关S合向‘2’的位置时,电源通过R向电容C充电,uC(t)称为零状态响应,

变化曲线如图12-2所示,当uC上升到
所需要的时间称为时间常数
,
。
2.RC一阶电路的零输入响应
在图12-1中,开关S在‘2’的位置电路稳定后,再合向‘1’的位置时,电容C通过R放电,uC(t)称为零输入响应,

变化曲线如图12-3所示,当uC下降到
所需要的时间称为时间常数
,
。
3.测量RC一阶电路时间常数

图12-1电路的上述暂态过程很难观察,为了用普通示波器观察电路的暂态过程,需采用图12-4所示的周期性方波uS作为电路的激励信号,方波信号的周期为T,只要满足
,便可在示波器的荧光屏上形成稳定的响应波形。
电阻R、电容C串联与方波发生器的输出端连接,用双踪示波器观察电容电压uC,便可观察到稳定的指数曲线,如图12-5所示,在荧光屏上测得电容电压最大值
,取
,与指数曲线交点对应时间t轴的x点,则根据时间t轴比例尺(扫描时间
),该电路的时间常数
。
4.微分电路和积分电路
在方波信号uS作用在电阻R、电容C串联电路中,当满足电路时间常数
远远小于方波周期T的条件时,电阻两端(输出)的电压uR与方波输入信号uS呈微分关系,
,该电路称为微分电路。当满足电路时间常数
远远大于方波周期T的条件时,电容C两端(输出)的电压uC与方波输入信号uS呈积分关系,
,该电路称为积分电路。
微分电路和积分电路的输出、输入关系如图12-6(a)、(b)所示。
三.实验设备
1.双踪示波器;
2.信号源(方波输出,自备);
3.EEL-52A组件、EEL—54S组件。
四.实验内容
实验电路如图12-7所示,用双踪示波器观察电路激励(方波)信号和响应信号。uS为方波输出信号,将信号源的“波形选择”开关置方波信号位置上,将信号源的信号输出端与示波器探头连接,接通信号源电源,调节信号源的频率旋钮(包括“频段选择”开关、频率粗调和频率细调旋钮),使输出信号的频率为1kHZ(由频率计读出),调节输出信号的“幅值调节”旋钮,使方波的峰-峰值VP-P=2V,固定信号源的频率和幅值不变。
1.RC一阶电路的充、放电过程
(1)测量时间常数τ:令R=10kΩ,C=0.01μF,用示波器观察激励uS与响应uC的变化规律,测量并记录时间常数τ。
(2)观察时间常数τ(即电路参数R、C)对暂态过程的影响:令R=10kΩ,C=0.01μF,观察并描绘响应的波形,继续增大C(取0.01μF~0.1μF)或增大R(取10kΩ、30kΩ),定性地观察对响应的影响。
2.微分电路和积分电路
(1)积分电路:令R=10kΩ,C=0.1μF,用示波器观察激励uS与响应uC的变化规律。
(2)微分电路:将实验电路中的R、C元件位置互换,令R=100Ω,C=0.01μF,用示波器观察激励uS与响应uR的变化规律。
五.实验注意事项
1.调节电子仪器各旋钮时,动作不要过猛。实验前,尚需熟读双踪示波器的使用说明,特别是观察双踪时,要特别注意开关,旋钮的操作与调节以及示波器探头的地线不允许同时接不同电势。
2.信号源的接地端与示波器的接地端要连在一起(称共地),以防外界干扰而影响测量的准确性。
3.示波器的辉度不应过亮,尤其是光点长期停留在荧光屏上不动时,应将辉度调暗,以延长示波管的使用寿命。
六、预习与思考题
1.用示波器观察RC一阶电路零输入响应和零状态响应时,为什么激励必须是方波信号?
2.已知RC一阶电路的R=10kΩ,C=0.01μF,试计算时间常数τ,并根据τ值的物理意义,拟定测量τ的方案。
3.在RC一阶电路中,当R、C的大小变化时,对电路的响应有何影响?
4.何谓积分电路和微分电路,它们必须具备什么条件?它们在方波激励下,其输出信号波形的变化规律如何?这两种电路有何功能?
七.实验报告要求
1.根据实验1(1)观测结果,绘出RC—阶电路充、放电时UC与激励信号对应的变化曲线,由曲线测得τ值,并与参数值的理论计算结果作比较,分析误差原因。
2.根据实验2观测结果,绘出积分电路、微分电路输出信号与输入信号对应的波形。
3.回答思考题3。
实验十三 二阶动态电路响应的研究
一.实验目的
1.研究RLC二阶电路的零输入响应、零状态响应的规律和特点,了解电路参数对响应的影响。
2.学习二阶电路衰减系数、振荡频率的测量方法,了解电路参数对它们的影响。
3.观察、分析二阶电路响应的三种变化曲线及其特点,加深对二阶电路响应的认识与理解。
二.原理说明
1.零状态响应
在图13-1所示R、L、C电路中,uC(0)=0,在t=0时开关S闭合,电压方程为:

这是一个二阶常系数非齐次微分方程,该电路称为二阶电路,电源电压U为激励信号,电容两端电压uC为响应信号。根据微分方程理论,uC包含两个分量:暂态分量
和稳态分量
,即
,具体解与电路参数R、L、C有关。
当满足
时:
其中,衰减系数
,衰减时间常数
,振荡频率
,振荡周期
。
变化曲线如图12-2(a)所示,uC的变化处在衰减振荡状态,由于电阻R比较小,又称为欠阻尼状态。
当满足
时,uC的变化处在过阻尼状态,由于电阻R比较大,电路中的能量被电阻很快消耗掉,uC无法振荡,变化曲线如图13-2(b)所示。
当满足
时,uC的变化处在临界阻尼状态,变化曲线如图13-2(c)所示。
2.零输入响应
在图12-3电路中,开关S与‘1’端闭合,电路处于稳定状态,uC(0)=U,在t=0时开
关S与‘2’闭合,输入激励为零,电压方程为:

这是一个二阶常系数齐次微分方程,根据微分方程理论,uC只包含暂态分量
,稳态分量
为零。和零状态响应一样,根据R与
的大小关系,uC的变化规律分为衰减振荡(欠阻尼)、过阻尼和临界阻尼三种状态,它们的变化曲线与图13-2中的暂态分量
类似,衰减系数、衰减时间常数、振荡频率与零状态响应完全一样。
本实验对R、C、L并联电路进行研究,激励采用方波脉冲,二阶电路在方波正、负阶跃信号的激励下,可获得零状态与零输入响应,响应的规律与R、L、C串联电路相同。测量uC衰减振荡的参数,如图13-2(a)所示,用示波器测出振荡周期T,便可计算出振荡频率
,按照衰减轨迹曲线,测量-0.368A对应的时间
,便可计算出衰减系数
。
三.实验设备
1.双踪示波器;
2.信号源(方波输出,自备);
3.EEL-52A组件、弱电元件箱。

四.实验内容及步骤
实验电路如图13-4所示,其中:R1=10kΩ,L=15mH,C=0.01μF,R2为10kΩ电位器(可调电阻),信号源的输出为最大值Um=2V,频率f=1kHz的方波脉冲,通过插头接至实验电路的激励端,同时用同轴电缆将激励端和响应输出端接至双踪示波器的YA和YB两个输入口。
1.调节电阻器R2,观察二阶电路的零输入响应和零状态响应由过阻尼过渡到临界阻尼,最后过渡到欠阻尼的变化过渡过程,分别定性地描绘响应的典型变化波形。
2.调节R2使示波器荧光屏上呈现稳定的欠阻尼响应波形,定量测定此时电路的衰减常数
和振荡频率
,并记入表13-1中;
3.改变电路参数,按表13-1中的数据重复步骤2的测量,仔细观察改变电路参数时
和
的变化趋势,并将数据记入表13-1中。
表13-1 二阶电路暂态过程实验数据
电路参数 实验次数 |
元 件 参 数 |
测量值 |
R1(kΩ) |
R2 |
L(mH) |
C(μF) |

|

|
1 |
10 |
调至欠阻尼状态 |
15 |
1000 pF |
|
|
2 |
10 |
15 |
3300 pF |
|
|
3 |
10 |
15 |
0.01 |
|
|
4 |
30 |
15 |
0.01 |
|
|
五.实验注意事项
1.调节电位器R2时,要细心、缓慢,临界阻尼状态要找准。
2.在双踪示波器上同时观察激励信号和响应信号时,显示要稳定,如不同步,则可采用外同步法(看示波器说明)触发。
六.预习与思考题
1.什么是二阶电路的零状态响应和零输入响应?它们的变化规律和哪些因素有关?
2.根据二阶电路实验电路元件的参数,计算出处于临界阻尼状态的R2之值。
3.在示波器荧光屏上,如何测得二阶电路零状态响应和零输入响应‘欠阻尼’状态的衰减系数
和振荡频率
?
七.实验报告要求
1.根据观测结果,在方格纸上描绘二阶电路过阻尼、临界阻尼和欠阻尼的响应波形。
2.测算欠阻尼振荡曲线上的衰减系数
、衰减时间常数
、振荡周期T和振荡频率
。
3.归纳、总结电路元件参数的改变,对响应变化趋势的影响。
4.回答思考题2。
实验十四 R、L、C元件阻抗特性的测定
一.实验目的
1.研究电阻,感抗、容抗与频率的关系,测定它们随频率变化的特性曲线。
2.学会测定交流电路频率特性的方法。
3.了解滤波器的原理和基本电路。
4.学习使用信号源和频率计。
二.原理说明
1.单个元件阻抗与频率的关系
对于电阻元件,根据
,其中
,电阻R与频率无关;
对于电感元件,根据
,其中
,感抗XL与频率成正比;
对于电容元件,根据
,其中
,容抗XC与频率成反比。
测量元件阻抗频率特性的电路如图14—1所示,图中的r是提供测量回路电流用的标准电阻,流过
被测元件的电流(IR、IL、IC)则可由r两端的电压
Ur除以r阻值所得,又根据上述三个公式,用被测元件的电流除对应的元件电压,便可得到R、XL和XC的数值。
2.交流电路的频率特性
由于交流电路中感抗XL和容抗XC均与频率有关,因而,输入电压(或称激励信号)在大小不变的情况下,改变频率大小,电路电流和各元件电压(或称响应信号)也会发生变化。这种电路响应随激励频率变化的特性称为频率特性。
若电路的激励信号为Ex(jω),响应信号为Re(jω),则频率特性函数为

式中,A(ω)为响应信号与激励信号的大小之比,是ω的函数,称为幅频特性;
(ω)为响应信号与激励信号的相位差角,也是ω的函数,称为相频特性。
在本实验中,研究几个典型电路的幅频特性,如图
14
-2所示,其中,图(a)在高频时有响应(即有输出),称为高通滤波器,图(b)在低频时有响应(即有输出),称为为低通滤波器,图中对应
A
=
0
.
707
的频率f
C
称为截止频率,在本实验中用
RC
网络组成的高通滤波器和低通滤波器,它们的截止频率f
C
均为
1
/
2πRC
。图(c)在一个频带范围内有响应(即有输出),称为带通滤波器,图中f
C1
称为下限截止频率,f
C2
称为上限截止频率,通频带
BW
=f
C2
-f
C1
。
三.实验设备
1.信号源(自备);
2.交流数字电压表;
3.EEL-52A组件。
四.实验内容
1.测量R、L、C元件的阻抗频率特性
实验电路如图14—1所示,图中:r=100Ω,R=1kΩ,L=9mH,C=0.01μF。选择信号源正弦波输出作为输入电压u,调节信号源输出电压幅值,使输入电压u的有效值U=2V,并保持不变。
用导线分别接通R、L、C三个元件,调节信号源的输出频率,从1kHz逐渐增至20KHz(用频率计测量),分别测量UR、UL、UC和Ur,将实验数据记入表14-1中。并通过计算得到各频率点的R、XL和XC。
表14-1 R、L、C元件的阻抗频率特性实验数据
频 率f(KHz) |
1 |
2 |
5 |
10 |
15 |
20 |
R(k ) |
Ur(V) |
|
|
|
|
|
|
IR(mA)=Ur/r |
|
|
|
|
|
|
UR(V) |
|
|
|
|
|
|
R=UR/IR |
|
|
|
|
|
|
XL(k ) |
Ur(V) |
|
|
|
|
|
|
IL(mA)=Ur/r |
|
|
|
|
|
|
UL(V) |
|
|
|
|
|
|
XL=UL/IL |
|
|
|
|
|
|
XC(K ) |
Ur(V) |
|
|
|
|
|
|
Ic(mA)=Ur/r |
|
|
|
|
|
|
UC(V) |
|
|
|
|
|
|
Xc=UC/Ic |
|
|
|
|
|
|
2.高通滤波器频率特性
实验电路如图14-3所示,图中:R=2kΩ,C=0.01μF。用信号源输出正弦波电压作为电路的激励信号(即输入电压)ui,调节信号源正弦波输出电压幅值,使激励信号ui的有效值Ui=2V,并保持不变。调节信号源的输出频率,从1kHz逐渐增至20KHz(用频率计测量),测量响应信号(即输出电压)UR,将实验数据记入表14-2中。
表14-2 频率特性实验数据。
f(kHz) |
1 |
3 |
6 |
8 |
10 |
15 |
20 |
UR(V) |
|
|
|
|
|
|
|
UC(V) |
|
|
|
|
|
|
|
UO(V) |
|
|
|
|
|
|
|
3.低通滤波器频率特性
实验电路和步骤同实验2,只是响应信号(即输出电压)取自电容两端电压UC,将实验数据记入表21-2中。
4.带通滤波器频率特性
实验电路如图14-4所示,图中:R=1kΩ,L=10mH,C=0.1μF。实验步骤同实验2,响应信号(即输出电压)取自电阻两端电压UO,将实验数据记入表21-2中。
五.预习与思考题
1.电阻R、感抗XL和容抗XC的大小和频率有何关系?
2.什么是频率特性?高通滤波器、低通滤波器和带通滤波器的幅频特性有何特点?如何测量?
六.实验报告要求
1.在坐标纸上绘制R、L、C三个元件的阻抗特性曲线。
2.回答思考题1。
实验十五 RC串、并联选频网络特性的测试
一.实验目的
1.研究RC串、并联电路及RC双T电路的频率特性。
2.学会用示波器测定RC网络的幅频特性和相频特性。
3.熟悉文氏电桥电路的结构特点及选频特性。
二.原理说明
图15-1所示RC串、并联电路的频率特性:

其中幅频特性为:
相频特性为:
幅频特性和相频特性曲线如图15-2所示,幅频特性呈带通特性。
当角频率
时,
,
,
uO与uI同相,即电路发生谐振,谐振频率
。也就是说,当信号频率为f0时,RC串、并联电路的输出电压uO与输入电压ui同相,其大小是输入电压的三分之一,这一特性称为RC串、并联电路的选频特性,该电路又称为文氏电桥。


测量频率特性用‘逐点描绘法’,图15-3为用双踪示波器测量RC网络频率特性的测试图。
测量幅频特性:保持信号源输出电压(即RC网络输入电压)Ui恒定,改变频率f,并测量对应的RC网络输出电压UO,计算出它们的比值A=UO/UI,然后逐点描绘出幅频特性;
测量相频特性:保持信号源输出电压(即RC网络输入电压)Ui恒定,改变频率f,用双踪示波器观察uO与ui波形,如图15-4所示,若两个波形的延时为Δt,周期为T,则它们的相位差
,然后逐点描绘出相频特性。
用同样方法可以测量RC双T电路的幅频特性,RC双T电路见图
15
-
5
,其幅频特性具有带阻特性,如图
15
-
6
所示。
三.实验设备
1.信号源(自备);
2.EEL-52A组件、EEL—54S组件;
3.双踪示波器(自备)。
四.实验内容
1.测量RC串、并联电路的幅频特性
实验电路如图15-3所示,其中,RC网络的参数选择为:R=200Ω,C=2.2μF(在NEEL—003组件上),信号源输出正弦波电压作为电路的输入电压ui,调节信号源输出电压幅值,使Ui=2V。
改变信号源正弦波输出电压的频率f(由频率计读得),并保持Ui=2V不变,测量输出电压
,(可先测量
时的频率fo,然后再在fo左右选几个频率点,测量
),将数据记入表15-1中。
在图15-3的RC网络中,选取另一组参数:R=2kΩ,C=0.1μF,重复上述测量,将数据记入表15-1中。
表15-1 幅频特性数据
R=2kW, C=0.1mF |
f(Hz) |
|
|
|
|
|
|
|
|
|
UO(V) |
|
|
|
|
|
|
|
|
|
R=200W C=2.2mF |
f(Hz) |
|
|
|
|
|
|
|
|
|
UO (V) |
|
|
|
|
|
|
|
|
|
|
|
|
|
|
|
|
|
|
|
|
|
2.测量RC串、并联电路的相频特性
实验电路如图15-3所示,按实验原理中测量相频特性的说明,实验步骤同实验1,将实验数据记入表15-2中。
3.测定RC双T电路的幅频特性
实验电路如图15-3所示,其中RC网络按图15-5连接,实验步骤同实验1,将实验数据记入自拟的数据表格中。
表15-2 相频特性数据
R=200W, C=2.2mF |
f(Hz) |
|
|
|
|
|
|
|
|
|
T(ms) |
|
|
|
|
|
|
|
|
|
(ms)
|
|
|
|
|
|
|
|
|
|
j |
|
|
|
|
|
|
|
|
|
R=2KW R=1KW C=0.1mF |
f(Hz) |
|
|
|
|
|
|
|
|
|
T(ms) |
|
|
|
|
|
|
|
|
|
(ms)
|
|
|
|
|
|
|
|
|
|
j |
|
|
|
|
|
|
|
|
|
|
|
|
|
|
|
|
|
|
|
|
|
五.实验注意事项
由于信号源内阻的影响,注意在调节输出电压频率时,应同时调节输出电压大小,使实验电路的输入电压保持不变。
六.预习与思考题
1.根据电路参数,估算RC串、并联电路两组参数时的谐振频率。
2.推导RC串、并联电路的幅频、相频特性的数学表达式。
3.什么是RC串、并联电路的选频特性?当频率等于谐振频率时,电路的输出、输入有何关系?
4.试定性分析RC双T电路的幅频特性。
七.实验报告要求
1.根据表15-1和表15-2实验数据,绘制RC串、并联电路的两组幅频特性和相频特性曲线,找出谐振频率和幅频特性的最大值,并与理论计算值比较。
2.设计一个谐振频率为1kHZ文氏电桥电路,说明它的选频特性。
3.根据实验3的实验数据,绘制RC双T电路的幅频特性,并说明幅频特性的特点。
实验十六 R、L、C串联谐振电路的研究
一.实验目的
1.加深理解电路发生谐振的条件、特点,掌握电路品质因数(电路Q值)、通频带的物理意义及其测定方法。
2.学习用实验方法绘制R、L、C串联电路不同Q值下的幅频特性曲线。
3.熟练使用信号源和频率计。
二.原理说明
在图16—1所示的R、L、C串联电路中,电路复阻抗
,
当
时,Z=R ,
与
同相,电路发生串联谐振,谐振角频率
,
谐振频率
。
在图
16
-
1
电路中,若
为激励信号,
为响应信号,其幅频特性曲线如图
16
-
2
所示,在
f
=f
0
时,
A
=
1
,
U
R
=
U
,f
≠
f
0
时,
U
R
<
U
,
呈带通特性
。
A
=
0
.
707
,
即
U
R
=
0
.
707U
所对应的两个频率
f
L
和f
h
为下限频率和上限频率,
f
h
-
f
L
为通频带。通频带的宽窄与电阻
R
有关,不同电阻值的幅频特性曲线如图
16
-
3
所示。
电路发生串联谐振时,UR=U ,UL=UC=QU ,Q称为品质因数,与电路的参数R、L、C有关。Q值越大,幅频特性曲线越尖锐,通频带越窄,电路的选择性越好,在恒压源供电时,电路的品质因数、选择性与通频带只决定于电路本身的参数,而与信号源无关。在本实验中,测量不同频率下的电压U 、UR、UL、UC,绘制R、L、C串联电路的幅频特性曲线,并根据
计算出通频带,根据
或
计算出品质因数,
三.实验设备
1.信号源(自备,用B口,带载能力强);
2.双踪示波器(自备);
3.EEL-52A组件。
四.实验内容
1.按图16-4组成监视、测量电路。测电压,令其输出有效值为1V,并保持不变。图中 L=9mH,R=51Ω,C=0.033uF 。
2.测量R、L、C串联电路谐振频率选取,调节信号源正弦波输出电压频率,由小逐渐变大,并测量电阻R两端电压
UR,当UR的读数为最大时,读得频率计上的频率值即为电路的谐振频率f0,并测量此时的UC与UL,将测量数据记入自拟的数据表格中。
3.测量R、L、C串联电路的幅频特性
在上述实验电路的谐振点两侧,调节信号源正弦波输出频率,按频率递增或递减500Hz或1KHz,依次各取7个测量点,逐点测出UR、UL和UC 值,记入表16-1中。
表16-1 幅频特性实验数据一
4.在上述实验电路中,改变电阻值,使R=100W,重复步骤1、2的测量过程,将幅频特性数据记入表16-2中。
表16-2 幅频特性实验数据二
五.实验注意事项
测试频率点的选择应在靠近谐振频率附近多取几点,在改变频率时,应调整信号输出电压,使其维持在1V不变。
六.预习与思考题
1.根据实验1、3的元件参数值,估算电路的谐振频率,自拟测量谐振频率的数据表格。
2.改变电路的哪些参数可以使电路发生谐振,电路中R的数值是否影响谐振频率?
3.如何判别电路是否发生谐振?测试谐振点的方案有哪些?
4.电路发生串联谐振时,为什么输入电压u不能太大,如果信号源给出1V的电压,电路谐振时,测UL和UC,应该选择用多大的量限?为什么?
5.要提高R、L、C串联电路的品质因数,电路参数应如何改变?
七.实验报告要求
1.根据测量数据,绘出不同Q值的三条幅频特性曲线:
UR=f(f), UL=f(f), UC=f(f)
2.计算出通频带与Q值,说明不同R值时对电路通频带与品质因素的影响。
3.对两种不同的测Q值的方法进行比较,分析误差原因。
4.回答思考题2。
实验十七 交流电路等效参数的测量
一.实验目的
1.学会使用交流数字仪表(电压表、电流表、功率表)和自耦调压器。
2.学习用交流数字仪表测量交流电路的电压、电流和功率。
3.学会用交流数字仪表测定交流电路参数的方法。
4.加深对阻抗、阻抗角及相位差等概念的理解。
二.原理说明
正弦交流电路中各个元件的参数值,可以用交流电压表、交流电流表及功率表,分别测量出元件两端的电压U,流过该元件的电流I和它所消耗的功率P,然后通过计算得到所求的各值,这种方法称为三表法,是用来测量50Hz交流电路参数的基本方法。计算的基本公式为:
电阻元件的电阻:
或
电感元件的感抗
,电感
电容元件的容抗
,电容
串联电路复阻抗的模
,阻抗角
其中:等效电阻
,等效电抗
本次实验电阻元件用白炽灯(非线性电阻)。电感线圈用镇流器,由于镇流器线圈的金属导线具有一定电阻,因而,镇流器可以由电感和电阻相串联来表示。电容器一般可认为是理想的电容元件。
在R、L、C串联电路中,各元件电压之间存在相位差,电源电压应等于各元件电压的相量和,而不能用它们的有效值直接相加。
电路功率用功率表测量,功率表(又称为瓦特表)是一种电动式仪表,其中电流线圈与负载串联,(具有两个电流线圈,可串联或并联,以便得到两个电流量程),而电压线圈与电源并联,电流线圈和电压线圈的同名端(标有*号端)必须连在一起,如图19—1所示。本实验使用数字式功率表,连接方法与电动式功率表相同,电压、电流量程分别选450V和3A。
三.实验设备
1.交流电压、电流、功率、功率因素表;
2.自耦调压器(输出可调的交流电压);
3.30W镇流器,400V/4.3μF电容器,电流插头,25W/220V白炽灯。
四.实验内容
实验电路如图19-2所示,功率表的连接方法见图19-1,交流电源经自耦调压器调压后向负载Z供电。
1.测量白炽灯的电阻
图19-2电路中的Z为一个220V、25W的
白炽灯,用自耦调压器调压,使U为220V,(用
电压表测量),并测量电流和功率,记入自拟的
数据表格中。
将电压U调到110V,重复上述实验。
2.测量电容器的容抗
将图19-2电路中的Z换为4.3μF的电容器(改接电路时必须断开交流电源),将电压U调到220V,测量电压、电流和功率,记入自拟的数据表格中。
将电容器换为0.47μF,重复上述实验。
3.测量镇流器的参数
将图19-2电路中的Z换为镇流器,将电压U分别
调到180V和90V,测量电压、电流和功率,记入自拟的
数据表格中。
4.测量日光灯电路
日光灯电路如图19-3所示,用该电路取代图16-2电路中的Z,将电压U调到220V,测量日光灯管两端电压UR、镇流器电压URL和总电压U以及电流和功率,并记入自拟的数据表格中。
五.实验注意事项
1.通常功率表不单独使用,要有电压表和电流表监测,使电压表和电流表的读数不超过功率表电压和电流的量限。
2.注意功率表的正确接线,上电前必须经指导教师检查。
3.自耦调压器在接通电源前,应将其手柄置在零位上,调节时,使其输出电压从零开始逐渐升高。每次改接实验负载或实验完毕,都必须先将其旋柄慢慢调回零位,再断电源。必须严格遵守这一安全操作规程。
六.预习与思考题
1.自拟实验所需的全部表格。
2.在50Hz的交流电路中,测得一只铁心线圈的P、I和U,如何计算得它的电阻值及电感量?
3.参阅课外资料,了解日光灯的电路连接和工作原理。
4.当日光灯上缺少启辉器时,人们常用一根导线将启辉器插座的两端短接一下,然后迅速断开,使日光灯点亮;或用一只启辉器去点亮多只同类型的日光灯,这是为什么?
5.了解功率表的连接方法。
6.了解自耦调压器的操作方法。
七.实验报告要求
1.根据实验1的数据,计算白炽灯在不同电压下的电阻值。
2.根据实验2的数据,计算电容器的容抗和电容值。
3.根据实验3的数据,计算镇流器的参数(电阻R和电感L);
4.根据实验4的数据,计算日光灯的电阻值,画出各个电压和电流的相量图,说明各个电压之间的关系。
5.回答思考题4。
实验十八 正弦稳态交流电路相量的研究
一.实验目的
1.研究正弦稳态交流电路中电压、电流相量之间的关系。
2.掌握RC串联电路的相量轨迹及其作移相器的应用。
3.掌握日光灯线路的接线。
4.理解改善电路功率因数的意义并掌握其方法。
二.原理说明
1.在单相正弦交流电路中,用交流电流表则得各支中的电流值,用交流电压表测得回路各元件两端的电压值,它们之间的关系满足相量形式的基尔霍夫定律,即

和
2.如图10—1所示的RC串联电路,在正弦稳态信号
的激励下,
与
保持有90°的相位差,即当阻值R改变时,
的相量轨迹是一个半圆,
,
与
三者形成一个直角形的电压三角形。R值改变时,可改变φ角的大小,从而达到移相的目的。
3.日光灯线路如图10—4所示,图中A是日光灯管,L是镇流器,S是启辉器,C是补偿电容器,用以改善电路的功率因数(cosφ值)。有关日光灯的工作原理请自行翻阅有关资料。
三.实验设备
1.交流电压、电流、功率、功率因数表;
2.调压器;
3.30W镇流器,400V/4.3μF电容器,电流插头,25W/220V白炽灯。
四.实验内容
1.用一个220V,25W的白炽灯泡和电容组成如图10—2所示的实验电路,按下闭合按钮开关调节调压器至220V,验证电压三角形关系。
测 量 值 |
计 算 值 |
U(V) |
UR(V) |
UC(V) |
U’(UR, UC 组成RtD) |
DU |
DU/U |
|
|
|
|
|
|
2.日光灯线路接线与测量
按图10—3组成线路,经指导教师检查后按下闭合按钮开关,调节自耦调压器的输出,使其输出电压缓慢增大,直到日光灯刚启辉点亮为至,记下三表的指示值。然后将电压调至220V,测量功率P,电流I,电压
等值,验证电压、电流相量关系。
测 量 数 值 |
计 算 值 |
|
P(W) |
I(A) |
U(V) |
UL(V) |
UA(V) |
cosj |
r(W) |
启 辉 值 |
|
|
|
|
|
|
|
正常工作值 |
|
|
|
|
|
|
|
3.并联电路——电路功率因数的改善

按图10—4组成实验线路经指导老师检查后,按下绿色按钮开关调节自耦调压器的输出调至220V,记录功率表,电压表读数,通过一只电流表和三个电流取样插座分别测得三条支路的电流,改变电容值(
),进行三次重复测量。
电容值 |
测 量 数 值 |
计 算 值 |
(mF) |
P(W) |
U(V) |
Uc(V) |
UL(V) |
UA(V) |
I(A) |
IC(A) |
IL(A) |
I’(A) |
cosf |
|
|
|
|
|
|
|
|
|
|
|
|
|
|
|
|
|
|
|
|
|
|
|
|
|
|
|
|
|
|
|
|
|
五.实验注意事项
1.功率表要正确接入电路,读数时要注意量程和实际读数的折算关系。
2.线路接线正确,日光灯不能启辉时,应检查启辉器及其接触是否良好。
3.上电前确定交流调压器输出电压为零(即调压器逆时针旋到底)。
六.预习思考题
1.参阅课外资料,了解日光灯的启辉原理。
2.在日常生活中,当日光灯上缺少了启辉器时,人们常用一导线将启辉器的两端短接一下,然后迅速断开,使日光灯点亮;或用一只启辉器去点亮多只同类型的日光灯,这是为什么?
3.为了提高电路的功率因数,常在感性负载上并联电容器,此时增加了一条电流支路,试问电路的总电流是增大还是减小,此时感性元件上的电流和功率是否改变?
4.提高线路功率因数为什么只采用并联电容器法,而不用串联法?所并的电容器是否越大越好?
七.实验报告
1.完成数据表格中的计算,进行必要的误差分析。
2.根据实验数据,分别绘出电压、电流相量图,验证相量形式的基尔霍夫定律。
3.讨论改善电路功率因数的意义和方法。
实验十九 互感线圈电路的研究
一.实验目的
1.学会测定互感线圈同名端、互感系数以及耦合系数的方法。
2.理解两个线圈相对位置的改变,以及线圈用不同导磁材料时对互感系数的影响。
二.原理说明
一个线圈因另一个线圈中的电流变化而产生感应电动势的现象称为互感现象,这两个线圈称为互感线圈,用互感系数(简称互感)M来衡量互感线圈的这种性能。互感的大小除了与两线圈的几何尺寸、形状、匝数及导磁材料的导磁性能有关外,还与两线圈的相对位置有关。
1.判断互感线圈同名端的方法
(1)直流法
如图
30
-
1
所示,当开关S闭合瞬间,若毫安表的指针正偏,则可断定
‘
1
’
、
‘
3
’
为同名端;指针反偏,则
“
1
”
、
“
4
”
为同名端。
(2)交流法
如图30-2所示,将两个绕组N1和N2的任意两端(如2、4端)联在一起,在其中的一个绕组(如N1)两端加一个低电压,用交流电压表分别测出端电压U13、U12和U34,若U13是两个绕组端压之差,则1、3是同名端;若U13是两绕组端压之和,则1、4是同名端。
2.两线圈互感系数M的测定
在图30-2电路中,互感线圈的N1侧施加低压交流电压U1,测出I1及U2。根据互感电势E2M≈U20=ωMI1,可算得互感系数为
3.耦合系数K的测定
两个互感线圈耦合松紧的程度可用耦合系数K来表示
其中:L1为N1线圈的自感系数,L2为N2线圈的自感系数,它们的测定方法如下:先在N1侧加低压交流电压U1,测出N2侧开路时的电流I1;然后再在N2侧加电压U2,测出N1侧开路时的电流I2,根据自感电势EL≈U=ωLI,可分别求出自感L1和L2。当已知互感系数M,便可算得K值。
三.实验设备
1.直流电压、电流表;
2.交流电压、电流、功率、功率因数表;
3.互感线圈;
4.十进制变阻器 、电容、电阻、电感、电位器、灯负载。
四.实验内容
1.测定互感线圈的同名端。
(1)直流法
如图
30
-
1
所示,当开关S闭合瞬间,若毫安表的指针正偏,则可断定
‘
1
’
、
‘
3
’
为同名端;指针反偏,则
“
1
”
、
“
4
”
为同名端。
(2)交流法
如图30-2所示,将两个绕组N1和N2的任意两端(如2、4端)联在一起,在其中的一个绕组(如N1)两端加一个低电压,用交流电压表分别测出端电压U13、U12和U34,若U13是两个绕组端压之差,则1、3是同名端;若U13是两绕组端压之和,则1、4是同名端。
2.测定两线圈的互感系数M
在图30-2电路中,互感线圈的N2开路,N1侧施加8V左右的交流电压U1,测出并记录U1、I1、U2。
3.测定两线圈的耦合系数K
在图30-2电路中,N1开路,互感线圈的N2侧施加8V左右的交流电压U2,测出并记录U2、I2、U1,。
五.实验注意事项
1.整个实验过程中,注意流过线圈N1的电流不超过1.5A,流过线圈N2的电流不得超过1A。
2.如实验室有200Ω,2A的滑线变阻器或大功率的负载,则可接在交流实验时的N1侧。
六.预习与思考题
1.什么是自感?什么是互感?在实验室中如何测定?
2.如何判断两个互感线圈的同名端?若已知线圈的自感和互感,两个互感线圈相串联的总电感与同名端有何关系?
3.互感的大小与哪些因素有关?各个因素如何影响互感的大小?
七.实验报告要求
1.根据实验1的现象,总结测定互感线圈同名端的方法,并回答思考题2。
2.根据实验2的数据,计算互感系数M。
3.根据实验2、3的数据,计算耦合系数K。
实验二十 单相变压器特性的测试
一.实验目的
1.过空载和短路实验测定变压器的变比和参数。
2.通过负载实验测取变压器的运行特性。
二.预习要点
1.变压器的空载和短路实验有什么特点?实验中电源电压一般加在哪一方较合适?
2.在空载和短路实验中,各种仪表应怎样联接才能使测量误差最小?
3.如何用实验方法测定变压器的铁耗及铜耗。
三.实验项目
1.空载实验 测取空载特性UO=f(IO),PO=f(UO)。
2.短路实验 测取短路特性UK=f(IK),PK=f(I)。
3.负载实验 保持U1=U1N,
=1的条件下,测取U2=f(I2)。
四.实验设备及仪器
1.交流电压表、交流电流表;
2.功率及功率因数表;
3.单相变压器。
五.实验方法
1.空载实验
实验线路如图23-1。

实验时,变压器低压线圈2U1、2U2接电源,高压线圈1U1、1U2开路。W为功率表,接线时,需注意电压线圈和电流线圈的同名端,避免接错线。
(1)在三相交流电源断电的条件下,将调压器旋钮逆时针方向旋转到底。并合理选择仪表量程。
(2)合上交流电源总开关,即按下绿色“闭合”开关,顺时针调节调压器旋钮,使变压器空载电压U0=1.2UN。
(3)然后,逐次降低电源电压,在1.2~0.5UN的范围内;测取变压器的U0、I0、P0,共取6~7组数据,记录于表2-1中。其中U=UN的点必须测,并在该点附近测的点应密些。为了计算变压器的变化,在UN以下测取原方电压的同时测取副方电压,填入表2-1中。
(4)测量数据以后,断开三相电源,以便为下次实验作好准备。
表23-1
序 号 |
实 验 数 据 |
计算数据 |
U0(V) |
I0(A) |
PO(W) |
U1U1。1U2 |

|
1 |
|
|
|
|
|
2 |
|
|
|
|
|
3 |
|
|
|
|
|
4 |
|
|
|
|
|
5 |
|
|
|
|
|
6 |
|
|
|
|
|
7 |
|
|
|
|
|
2.短路实验
实验线路如图23-2。
注意:每次改接线路时,都要关断电源。

实验时,变压器T的高压线圈接电源,低压线圈直接短路。
(1)断开三相交流电源,将调压器旋钮逆时针方向旋转到底,即使输出电压为零。
(2)合上交流电源绿色“闭合”开关,接通交流电源,逐次增加输入电压,直到短路电流等于1.1IN为止。在0.5~1.1IN范围内测取变压器的UK、IK、PK,共取6~7组数据记录于表23-2中,其中I=IK的点必测。并记录实验时周围环境温度(℃)。
表23-2 室温θ= ℃
序 号 |
实 验 数 据 |
计算数据 |
U(V) |
I(A) |
P(W) |

|
1 |
|
|
|
|
2 |
|
|
|
|
3 |
|
|
|
|
4 |
|
|
|
|
5 |
|
|
|
|
6 |
|
|
|
|
3.负载实验
实验线路如图23-3所示。

变压器T低压线圈接电源,高压线圈经过开关S,接到负载电阻RL上。
(1)未上主电源前,将调压器调节旋钮逆时针调到底,S断开,负载电阻值调到最大。
(2)合上交流电源,逐渐升高电源电压,使变压器输入电压U1=UN=36V。
(3)在保持U1=UN的条件下,合下开关S,逐渐减小负载电阻RL的值,测取变压器的输出电压U2和电流I2。
(4)测取数据时,I2=0和I2=I2N=0.23A必测,共取数据6~7组,记录于表23-3中。
表23-3
=1 U1=UN=36V
序 号 |
1 |
2 |
3 |
4 |
5 |
6 |
7 |
U2(V) |
|
|
|
|
|
|
|
I2(A) |
|
|
|
|
|
|
|
六.注意事项
1.在变压器实验中,应注意电压表、电流表、功率表的合理布置。
2.短路实验操作要快,否则线圈发热会引起电阻变化。
七.实验报告
1.计算变比
由空载实验测取变压器的原、副方电压的三组数据,分别计算出变比,然后取其平均值作为变压器的变比K。
K=U1u1.1U2/U2u1.2u2
2.绘出空载特性曲线和计算激磁参数
(1)绘出空载特性曲线UO=f(IO),PO=f(UO),
=f(UO)。
式中:
(2)计算激磁参数
从空载特性曲线上查出对应于
Uo=UN
时的
IO
和
PO
值,并由下式算出激磁参数


3.绘出短路特性曲线和计算短路参数
(1)绘出短路特性曲线UK=f(IK)、PK=f(IK)、
=f(IK)。
(2)计算短路参数。
从短路特性曲线上查出对应于短路电流
IK=IN
时的
UK
和
PK
值,由下式算出实验
环境温
度为θ(OC)短路参数。



折算到低压方
,
,

由于短路电阻
rK
随温度而变化,因此,算出的短路电阻应按国家标准换算到基准工作温度
75OC
时的阻值。


式中:
234.5
为铜导线的常数,若用铝导线常数应改为
228
。
阻抗电压



IK = IN
时的短路损耗
4
.利用空载和短路实验测定的参数,画出被试变压器折算到低压方的
“Γ”
型等效电路。
实验二十一 三相电路电压、电流的测量
一.实验目的
1.练习三相负载的星形联接和三角形联接。
2.了解三相电路线电压与相电压,线电流与相电流之间的关系。
3.了解三相四线制供电系统中中线的作用。
4.观察线路故障时的情况。
二.原理说明
电源用三相四线制向负载供电,三相负载可接成星形(又称‘Y’形)或三角形(又称‘Δ’形)。
当三相对称负载作‘Y’形联接时,线电压UL是相电压UP的
倍,线电流IL等于相电流IP,即:
,流过中线的电流IN=0;作‘Δ’形联接时,线电压UL等于相电压UP,线电流IL是相电流IP的
倍,即:
不对称三相负载作‘Y’联接时,必须采用‘YO’接法,中线必须牢固联接,以保证三相不对称负载的每相电压等于电源的相电压(三相对称电压)。若中线断开,会导致三相负载电压的不对称,致使负载轻的那一相的相电压过高,使负载遭受损坏,负载重的一相相电压又过低,使负载不能正常工作;对于不对称负载作‘Δ’ 联接时,IL≠
IP,但只要电源的线电压UL对称,加在三相负载上的电压仍是对称的,对各相负载工作没有影响。
本实验中,用三相调压器调压输出作为三相交流电源,用三组白炽灯作为三相负载,线电流、相电流、中线电流用电流插头和插座测量。
三.实验设备
1.三相交流电源;
2.交流电压、电流、功率、功率因数表;
3.EEL-55B组件。
四.实验内容
1.三相负载星形联接(三相四线制供电)
实验电路如图24-1所示,将白炽灯按图所示,连接成星形接法。用三相调压器调压输出作为三相交流电源,具体操作如下:将三相调压器的旋钮置于三相电压输出为0V的位置(即逆时针旋到底的位置),然后旋转旋钮,调节调压器的输出,使输出的三相线电压为220V。测量线电压和相电压,并记录数据。
(1)在有中线的情况下,测量三相负载对称和不对称时的各相电流、中线电流和各相电压,将数据记入表24-1中,并记录各灯的亮度。
(2)在无中线的情况下,测量三相负载对称和不对称时的各相电流、各相电压和电源中点N到负载中点Nˊ的电压UNNˊ,将数据记入表24-1中,并记录各灯的亮度。
表24—1 负载星形联接实验数据
中线 连接 |
开关状态 |
负载相电压(V) |
电流(A) |
UNN (V) |
亮度比较 A、B、C |
UA |
UB |
UC |
IA |
IB |
IC |
IN |
有 |
K1~K6闭合 |
|
|
|
|
|
|
|
|
|
K1、K2、K4、K5、K6闭合;K3断开 |
|
|
|
|
|
|
|
|
|
K1、K2、K6闭合;K3~K5断开 |
|
|
|
|
|
|
|
|
|
无 |
K1、K2、K6闭合;K3~K5断开 |
|
|
|
|
|
|
|
|
|
K1、K2、K4、K5、K6闭合;K3断开 |
|
|
|
|
|
|
|
|
|
K1~K6闭合 |
|
|
|
|
|
|
|
|
|
2.三相负载三角形联接
实验电路如图24-2所示,将白炽灯按图所示,连接成三角形接法。调节三相调压器的输出电压,使输出的三相线电压为220V,测量三相负载对称和不对称时的各相电流、线电流和各相电压,将数据记入表24-2中,并记录各灯的亮度。
表24—2.1 负载三角形联接实验数据
开关状态 |
相电压(V) |
线电流(A) |
相电流(A) |
亮度比 较 |
UAB |
UBC |
UCA |
IA |
IB |
IC |
IAB |
IBC |
ICA |
K1~K6闭合 |
|
|
|
|
|
|
|
|
|
|
K1、K2、K6闭合;K3~K5断开 |
|
|
|
|
|
|
|
|
|
|
五.实验注意事项
1.每次接线完毕,同组同学应自查一遍,然后由指导教师检查后,方可接通电源,必须严格遵守先接线,后通电;先断电,后抓线的实验操作原则。
2.星形负载作短路实验时,必须首先断开中线,以免发生短路事故。
3.测量、记录各电压、电流时,注意分清它们是哪一相、哪一线,防止记错。
六.预习与思考题
1.三相负载根据什么原则作星形或三角形连接?本实验为什么将三相电源线电压设定为220V?
2.三相负载按星形或三角形连接,它们的线电压与相电压、线电流与相电流有何关系?当三相负载对称时又有何关系?
3.说明在三相四线制供电系统中中线的作用,中线上能安装保险丝吗?为什么?
七.实验报告要求
1.根据实验数据,在负载为星形连接时,
在什么条件下成立?在三角形连接时,
在什么条件下成立?
2.用实验数据和观察到的现象,总结三相四线制供电系统中中线的作用。
3.不对称三角形联接的负载,能否正常工作?实验是否能证明这一点?
4.对称负载三角形联接时的实验数据,画出各相电压、相电流和线电流的相量图,并证实实验数据的正确性。
实验二十二 三相电路功率的测量
一.实验目的
1.学会用功率表测量三相电路功率的方法。
2.掌握功率表的接线和使用方法。
二.原理说明
1.三相四线制供电,负载星形联接(即Y0接法)
对于三相不对称负载,用三个单相功率表测量,测量电路如图25-1所示,三个单相功率表的读数为W1、W2、W3,则三相功率P=W1+W2+W3,这种测量方法称为三瓦特表法;对于三相对称负载,用一个单相功率表测量即可,若功率表的读数为W ,则三相功率P=3W,称为一瓦特表法。

2.三相三线制供电
三相三线制供电系统中,不论三相负载是否对 称,也不论负载是‘Y’接还是‘Δ’接,都可用二瓦特表法测量三相负载的有功功率。测量电路如图25—2所示,若两个功率表的读数为W1、W2,则三相功率
,
其中
为负载的阻抗角(即功率因数角),两个功率表的读数与
有下列关系:
(1)当负载为纯电阻,
=0,W1=W2,即两个功率表读数相等;
(2)当负载功率因数
,
,将有一个功率表的读数为零;
(3)当负载功率因数
,
,则 一个功率表的读数为负值,该功率表指针将反方向偏转,这时应将功率表电流线圈的两个端子调换(不能调换电压线圈端子),而读数应记为负值。对于数字式功率表将出现负读数。
三.实验设备
1.三相交流电源;
2.交流电压、电流、功率、功率因数表;
3.EEL-55B组件。
四.实验内容
1.三相四线制供电,测量负载星形联接(即Y0接法)的三相功率
(1)用一瓦特表法测定三相对称负载三相功率,实验电路如图25-4所示,线路中的电流表和电压表用以监视三相电流和电压,不要超过功率表电压和电流的量程。经指导教师检查后,接通三相电源开关,将调压器的输出由0调到380V(线电压),按表25—1的要求进行测量及计算,将数据记入表中。
(2)用三瓦特表法测定三相不对称负载三相功率,本实验用一个功率表分别测量每相功率,实验电路如图25-4所示,步骤与(1)相同,将数据记入表25—1中。
表25—1 三相四线制负载星形联接数据
负 载 情 况 |
开关情况 |
测 量 数 据 |
计算值 |
PA (W) |
PB (W) |
PC (W) |
P(W) |
Y 接对称负载 |
K1~K6闭合 |
|
|
|
|
Y 接不对称负载 |
K1、K2、K4、K5、K6闭合;K3断开 |
|
|
|
|
2.三相三线制供电,测量三相负载功率
(1)用二瓦特表法测量三相负载‘Y’连接的三相功率,实验电路如图25-5(a)所示,图中‘三相灯组负载’见图(b),经指导教师检查后,接通三相电源,调节三相调压器的输出,使线电压为220V,按表25—2的内容进行测量计算,并将数据记入表中。
(2)将三相灯组负载改成‘Δ’接法,重复(1)的测量步骤,数据记入表25—2中。
表25—2三相三线制三相负载功率数据
负载情况 |
开关情况 |
测 量 数 据 |
计 算 值 |
P (W) |
P (W) |
P(W) |
Y接对称负载 |
K1~K6闭合 |
|
|
|
Y接不对称负载 |
K1、K2、K4、K5、K6闭合;K3断开 |
|
|
|
Δ接不对称负载 |
K1~K6闭合 |
|
|
|
Δ接对称负载 |
K1、K2、K4、K5、K6闭合;K3断开 |
|
|
|
五.实验注意事项
每次实验完毕,均需将三相调压器旋钮调回零位,如改变接线,均需新开三相电源,以确保人身安全。
六.预习与思考题
1.复习二瓦特表法测量三相电路有功功率的原理。
2.测量功率时为什么在线路中通常都接有电流表和电压表?
3
.为什么有的实验需将三相电源线电压调到
380
V,而有的实验要调到
220
V?
七.实验报告要求
1.整理、计算表25-1和表25-2的数据,并和理论计算值相比较。
2.总结、分析三相电路功率测量的方法。
实验二十三 单相电度表的校验
一.实验目的
1.了解电度表的工作原理,掌握电度表的接线和使用。
2.学会测定电度表的技术参数和校验方法。
二.原理说明
电度表是一种感应式仪表,是根据交变磁场在金属中产生感应电流,从而产生转矩的基本原理而工作的仪表,主要用于测量交流电路中的电能。
1.电度表的结构和原理
电度表主要由驱动装置、转动铝盘、制动永久磁铁和指示器等部分组成。
驱动装置和转动铝盘:驱动装置有电压铁芯线圈和电流铁芯线圈,在空间上、下排列,中间隔以铝制的园盘。驱动两个铁芯线圈的交流电,建立起合成的交变磁场,交变磁场穿过铝盘,在铝盘上产生感应电流,该电流与磁场的相互作用,产生转动力矩驱使铝盘转动。
制动永久磁铁:铝盘上方装有一个永久磁铁,其作用是对转动的铝盘产生制动力矩,使铝盘转速与负载功率成正比。因此,在某一测量时间内,负载所消耗的电能W就与铝盘的转数n成正比。
指示器:电度表的指示器不能象其他指示仪表的指针一样停留在某一位置,而应能随着电能的不断增大(也就是随着时间的延续)而连续地转动,这样才能随时反应出电能积累的数值。因此,它是将转动铝盘通过齿轮传动机构折换为被测电能的数值,由一系列齿轮上的数字直接指示出来。
2.电度表的技术指标
(1)电度表常数:铝盘的转数n与负载消耗的电能W成正比,即

比例系数N称为电度表常数,常在电度表上标明,其单位是转/1千瓦小时。
(2)电度表灵敏度:在额定电压、额定频率及cosφ=1的条件下,负载电流从零开始增大,测出铝盘开始转动的最小电流值Imin,则仪表的灵敏度表示为

式中的IN为电度表的额定电流。
(3)电度表的潜动:当负载等于零时电度表仍出现缓慢转动的情况,这种现象称为潜动。按照规定,无负载电流的情况下,外加电压为电度表额定电压的110%(达242V)时,观察铝盘的转动是否超过一周,凡超过一周者,判为潜动不合格的电度表。
本实验电度表接线图见图26-1所示,‘黄’、‘绿’两端为电流线圈,‘黄’、‘兰’两端为电压线圈。
三.实验设备
1.三相交流电源;
2.交流电压、电流表,功率、功率因数表;
3.EEL—55B组件;
4.单相电度表;
5.计时器(自备)。
四.实验内容
1.记录被校验电度表的额定数据和技术指标:
额定电流IN= ,额定电压UN= ,电度表常数N= ,
2.用功率表、计时器校验电度表常数
按图26-2接线,电度表的接线与功率表相同,其电流线圈与负载串联,电压线圈与负载并联。线路经指导教师检查后,接通电源,将调压器的输出电压调到220V,按表26-1的要求接通灯组负载,用秒表定时记录电度表铝盘的转数,并记录各表的读数。为了数圈数的准确起见,可将电度表铝盘上的一小段红色标记刚出现(或刚结束)时作为秒表计时的开始。此外,为了能记录整数转数,可先预定好转数,待电度表铝盘刚转完此转数时,作为秒表测定时间的终点,将所有数据记入表26-1中。
为了准确和熟悉起见,可重复多做几次。
表 26-1校验电度表准确度数据
负载情况 (25W白炽灯个数) |
测 量 值 |
计 算 值 |
U (V) |
I (A) |
P (W) |
时间 (s) |
转数 n |
实测电能 W(kWh) |
计算电能 W(kWh) |
ΔW/W |
电度表常数N |
6 |
|
|
|
|
|
|
|
|
|
8 |
|
|
|
|
|
|
|
|
|
3.检查电度表潜动是否合格
切断负载,即断开电度表的电流线圈回路,调节调压器的输出电压为额定电压的110%(即242V),仔细观察电度表的铝盘有否转动,一般允许有缓慢地转动,但应在不超过一转的任一点上停止,这样,电度表的潜动为合格,反之则不合格。
五.实验注意事项
1.记录时,同组同学要密切配合,计时要同步,读取转数步调要一致,以确保测量的准确性。
2.注意功率表和电度表的接线。
六.预习与思考题
1.了解电度表的结构、工作原理和接线方法。
2.电度表有哪些技术指标?如何测定?
七.实验报告要求
1.整理实验数据,计算出电度表的各项技术指标。
2.对被校电度表的各项技术指标作出评价。
实验二十四 功率因数表的使用及相序测量
一.实验目的
1.掌握三相交流电路相序的测量方法。
2.熟悉功率因数表的使用方法,了解负载性质对功率因数的影响。
二.实验原理
1.相序指示器
相序指示器如图27-1所示,它是由一个电容器和两个白炽灯按星型联接的电路,用来指示三相电源的相序。
在图27-1电路中,设
、
、
为三相
对称电源相电压,中点电压
设
,
代入上式得:
则


可见
,B相的白炽灯比C相的亮。
综上所述,用相序指示器指示三相电源相序的方法是:如果连接电容器的一相是A相,那么,白炽灯较亮的一相是B相,较暗的一相是C相。
2.负载的功率因数
在图27-2(a)电路中,负载的有功功率
,其中
为功率因数,功率因数角
且
。
当
,
>0,感性负载;
当
,
>0,容性负载;
当
,
=1,电阻性负载。
可见,功率因数的大小和性质由负载参数的大小和性质决定。
三.实验设备
1.三相交流电源 ;
2.交流电压、电流表,功率、功率因数表;
3.EEL—55B组件。
四.实验内容
1.测定三相电源的相序
(1)按图27-1接线,图中,C =2.5μF,RA、RB为两个220V、25W的白炽灯,调节三相调压器,输出线电压为220V的三相交流电压,测量电容器、白炽灯和中点电压UN,观察灯光明亮状态,作好记录。设电容器一相为A相,试判断B、C 相。
(2)将电源线任意调换两相后,再接入电路,重复步骤(1),并指出三相电源的相序。
2.负载功率因数的测定
按图27-2(a)接线,阻抗Z分别用电阻(220V、25W白炽灯)、感性负载(220V、25W白炽灯和镇流器串联)和容性负载(220V、25W白炽灯和4.7μF电容串联)代替,如图27-2(b)、(c)、(d)所示,将测量数据记入表27-1中。
表27-1 测定负载功率因数数据
负载情况 |
U (V) |
I (A) |
P (W) |

|
负载性质 |
电阻 |
|
|
|
|
|
感性负载 |
|
|
|
|
|
容性负载 |
|
|
|
|
|
五.实验注意事项
1.每次改接线路都必须先断开电源。
2.功率表和功率因数表实验板内部已连在一起,实验中只连接功率表即可。
六.预习与思考题
1.在图27-1电路中,已知电源线电压为220V,试计算电容器和白炽灯的电压。
2.什么是负载的功率因数?它的大小和性质由谁决定?
3.测量负载的功率因数有几种方法?如何测量?
七.实验报告要求
1.简述实验线路的相序检测原理。
2.根据V、I、P三表测定的数据,计算出
,并与
的读数比较,分析误差原因。
3.回答思考题3。
实验二十五 负阻抗变换器
一.实验目的
1.加深对负阻抗概念的认识,掌握对含有负阻抗器件电路的分析方法。
2.了解负阻抗变换器的组成原理及其应用。
3.掌握负阻抗变换器的各种测试方法。
二.原理说明
负阻抗是电路理论中的一个重要的基本概念,在工程实践中也有广泛的应用。负阻的产生除某些非线性元件(如燧道二极管)在某个电压或电流的范围内具有负阻特性外,一般都由一个有源双口网络来形成一个等值的线性负阻抗。该网络由线性集成电路或晶体管等元件组成,这样的网络称作负阻抗变换器。
按有源网络输入电压和电流与输出电压和电流的关系,可分为电流倒置型(
INIC
)和电压倒置型(
VNIC
)两种,电路模型如图
28
-
1
(a)、(b)所示。
在理想情况下,其电压、电流关系为:
对于INIC型:
(K1为电流增益)
对于VNIC型:
(K2为电压增益)
如果在INIC的输出端接上负载阻抗ZL,如图28-2所示,则它的输入阻抗Zi为


即输入阻抗Zi为负载阻抗ZL的K1倍,
且为负值,呈负阻特性。
本实验用线性运算放大器组成如图28-3
所示的电路,在一定的电压、电流范围内可获得良好的线性度。
根据运放理论可知:
,又
∴
可见,该电路属于电流倒置型(INIC)负
阻抗变换器,输入阻抗ZI等于负载阻抗ZL乘-K倍。
负阻抗变换器具有十分广泛的应用,例如可以用来实现阻抗变换;
假设
若负载为电阻, 

若负载为电容C,
若负载为电感L,

可见,电容通过负阻抗变换器呈现电感性质,而电感通过负阻抗变换器呈现电容性质。
三.实验设备
1.电压源(双路0~30V可调);
2.信号源(自备);
3.直流电压、电流表;
4.双踪示波器(自备);
5.EEL-52A组件、EEL—54S组件。

四.实验内容
1.测量负电阻的伏安特性
实验电路如图28-4所示,图中:U1为恒压源的可调稳压输出端,负载电阻RL用电阻箱。
(1)调节负载电阻箱的电阻值,使RL=300Ω,调节恒压源的输出电压,使之在(0~1V)范围内的取值,分别测量INIC的输入电压U1及输入电流I1,将数据记入表28-1中。
(2)令RL=600Ω,重复上述的测量,将数据记入表28-1中。
表28-1 负电阻的伏安特性实验数据
R =300W |
U1(V) |
0.1 |
0.2 |
0.3 |
0.4 |
0.5 |
0.6 |
0.7 |
0.8 |
0.9 |
1 |
I1(mA) |
|
|
|
|
|
|
|
|
|
|
U1平均(V) |
|
I1平均(mA) |
|
R =600W |
U1(V) |
0.1 |
0.2 |
0.3 |
0.4 |
0.5 |
0.6 |
0.7 |
0.8 |
0.9 |
1 |
I1(mA) |
|
|
|
|
|
|
|
|
|
|
U1平均(V) |
|
I1平均(mA) |
|
|
|
|
|
|
|
|
|
|
|
|
|
|
|
(3)计算等效负阻
实测值R-=U1平均 / I1平均
理论计算值R-′=-KZL=-
RL
电流增益: K=R1 / R2
(4)绘制负阻的伏安特性曲线U1=f(I1)。
2.阻抗变换及相位观察
用0.1μF的电容器(串一500Ω电阻)和100mH的电感(串一500Ω电阻)分别取代RL,用低频信号源(正弦波形,f=1
103Hz)取代恒压源,调节低频信号使U1<1V, 并用双踪示波器观察并记录U1 与I1以及U2 与I2的相位差(I1、I2的波形分别从R1、R2两端取出)。
五.实验注意事项
1.整个实验中应使U1=(0~1)V。
2.防止运放输出端短路。
六.预习与思考题
1.什么是负阻变换器?有哪两种类型?具有什么性质?
2.负阻变换器通常用什么电路组成?如何实现负阻变换?
3.说明负阻变换器实现阻抗变换的原理和方法。
七.实验报告要求
1.根据表28-1数据,完成要求的计算,并绘制负阻特性曲线。
2.根据实验2的数据,解释观察到的现象,说明负阻变换器实现阻抗变换的功能。
3.回答思考题。
实验二十六 回转器特性测试
一.实验目的
1.了解回转器的结构和基本特性。
2.测量回转器的基本参数。
3.了解回转器的应用。
二.原理说明
回转器是一种有源非互易的两端口网络元件,电路符号及其等值电路如图
29
-
1
(
a
)、(
b
)所示。
理想回转器的导纳方程为:
或写成
;
也可写成电阻方程:
或写成
;
式中的G和R分别称为回转电导和回转电阻,简称为回转常数。
若在2—2′端接一负载电容C,从1—1′端看进去的导纳Yi为
, 又∵
,
∴
,其中
。
可见,从1—1′端看进去就相当于一个电感,即回转器能把一个电容元件‘回转’成一个电感元件,所以也称为阻抗逆变器。由于回转器有阻抗逆变作用,在集成电路中得到重要的应用。因为在集成电路制造中,制造一个电容元件比制造电感元件容易得多,通常可以用一带有电容负载的回转器来获得一个较大的电感负载。
三.实验设备
1.信号源(自备);
2.双踪示波器(自备);
3.EEL-52A组件、EEL—54S组件。
四.实验内容
1.测定回转器的回转常数
实验电路如图29-2所示,在回转
器的2—2′端接纯电阻负载RL(电
阻箱),取样电阻RS=1kΩ,信号源
频率固定在1kHz,输出电压为1~2V。
测量不同负载电阻RL时的U1、U2和URS,
并计算相应的电流I1、I2和回转常数G,
一并记入表29-1中。
表29-1 测定回转常数的实验数据
RL (k W) |
测 量 值 |
计 算 值 |
U1 (V) |
U2 (V) |
I 1 (mA) |
I 2 (mA) |
G¢=I1/U2 |
G’’=I 2/U1 |
G =(G’+G’’)/2 |
0.5 |
|
|
|
|
|
|
|
1 |
|
|
|
|
|
|
|
1.5 |
|
|
|
|
|
|
|
2 |
|
|
|
|
|
|
|
3 |
|
|
|
|
|
|
|
4 |
|
|
|
|
|
|
|
5 |
|
|
|
|
|
|
|
2.测试回转器的阻抗逆变性质
(1)观察相位关系
实验电路如图29-2所示,在回转器2—2′端的电阻负载RL用电容C代替,且C=0.1μF,用双踪示波器观察回转器输入电压U1和输入电流I1之间的相位关系,图中的RS为电流取样电阻,因为电阻两端的电压波形与通过电阻的电流波形同相, 所以用示波器观察URS上的电压波形就反映了电流I1的相位。
(2)测量等效电感
在2—2′两端接负载电容C=0.1μF,测量不同频率时的等效电感,并算出I1、L′、L及误差ΔL,分析U、U1、URS之间的相量关系。
3.测量谐振特性
实验电路如图29-3所示,图中:
C1=1μF,C2=0.1μF,取样电阻
RS=1kΩ。用回转器作电感,与C1
构成并联谐振电路。信号源输出电压
保持恒定U=2V,在不同频率时测量
表29-2中规定的各个电压,并找出U1
的峰值。将测量数据和计算值记入表
29-2中。
表29-2 谐振特性实验数据
f (Hz) 参数 |
200 |
400 |
500 |
700 |
800 |
900 |
1000 |
1200 |
1300 |
1500 |
2000 |
U1 (V) |
|
|
|
|
|
|
|
|
|
|
|
URS (V) |
|
|
|
|
|
|
|
|
|
|
|
I1=URS/RS(mA) |
|
|
|
|
|
|
|
|
|
|
|
L’=U1/2pfI1 |
|
|
|
|
|
|
|
|
|
|
|
L=C/G |
|
|
|
|
|
|
|
|
|
|
|
DL=L¢-L |
|
|
|
|
|
|
|
|
|
|
|
五.实验注意事项
1.回转器的正常工作条件是U,II的波形必须是正弦波,为避免运放进入饱和状态使波形失真,所以输入电压以不超过2V为宜。
2.防止运放输出对地短路。
六.预习与思考题
1.什么是回转器?用导纳方程说明回转器输入和输出的关系。
2.什么是回转常数?如何测定回转电导?
3.说明回转器的阻抗逆变作用及其应用。
七.实验报告要求
1.根据表29-1数据,计算回转电导。
2.根据实验2的结果,画出电压、电流波形,说明回转器的阻抗逆变作用,并计算等效电感值。
3.根据表29-2数据,画出并联谐振曲线,找到谐振频率,并和计算值相比较。
4.从各实验结果中总结回转器的性质、特点和应用。